Виды разрезов
В чертежах можно использовать различные виды разрезов, чтобы деталь была видна внутри без необходимости разбирать ее или использовать дополнительные средства визуализации. Вот несколько основных видов разрезов.
Прямой разрез — самый простой вид разреза, который делается прямой линией, пересекающей деталь только на одном месте. Этот вид разреза используется, когда необходимо показать деталь только в одной плоскости.
Заходящий разрез — это разрез, который проникает внутрь детали и отображает ее в нескольких плоскостях. В этом виде разреза используются специальные символы, чтобы показать, где разрез заходит внутрь детали и куда он выходит из нее.
Возвратный разрез — это разрез, который возвращается обратно и выходит из детали там же, где и входит в нее. Этот вид разреза может использоваться, когда необходимо показать сложную структуру или взаимосвязь внутри детали.
Полный разрез — это разрез, который делается через всю деталь, показывая все ее внутренние детали и особенности. Этот вид разреза используется, когда необходимо показать все структурные элементы детали и их взаимосвязь.
Выбор конкретного вида разреза зависит от того, какую информацию необходимо показать и с какой целью
Важно помнить, что разрезы — это всего лишь способ визуального представления детали и их выбор должен быть обоснован и соответствовать требованиям проекта
Как обозначается разрез на чертеже
Разрез, как и любой другой вид на чертеже, изображают согласно методу прямоугольного проецирования. Построение чертежа ведется исходя их позиции наблюдателя, предмет располагается между наблюдателем и плоскостью проекции.
Изображения на плоскости в зависимости от их наполнения делятся на:
- сечения;
- виды;
- разрезы.
Правила инженерной графики предполагают, что масштаб изображения соответствует масштабу выполнения документа, оформление всех чертежей должно быть в одном стиле. Простыми называются разрезы, выполненные с помощью одной секущей плоскости, а сложные разрезы формируются двумя и более плоскостями. Изображение на чертеже должно полностью соответствовать другим видам детали или объекта.
Симметричные части изображают, используя условные обозначения, при этом отрисовывается половина детали и ось симметрии, половинчатый разрез занимает меньше места на чертеже. Размеры наносят на вычерченную часть детали. Условный знак, показывающий границу проекции, – это ось симметрии. Выполнение половинчатого разреза удобно для продольных деталей и элементов.
Рисунок 1. Разрез на чертеже
Терминологический аппарат
Разрез
– изображение, полученное в процессе мысленного рассечения деталей секущей плоскостью. Обыкновенный разрез отличается от сложного количеством секущих плоскостей: в первом случае она одна, во втором несколько.
Важно! Работая с чертежом, не забывайте учитывать то, чем отличается сечение от разреза, особенности изображения и правила обозначения разрезов. Это очень важно.. Сечение
необходимо для изображения поперечной формы детали
Чтобы отразить сечение, представляют некую секущую плоскость, которая условно рассекает деталь в определенном месте. В результате получается срез, полностью отражающий необходимую форму
Сечение
необходимо для изображения поперечной формы детали. Чтобы отразить сечение, представляют некую секущую плоскость, которая условно рассекает деталь в определенном месте. В результате получается срез, полностью отражающий необходимую форму.

Обратите внимание! Сечение отражает только участок, полученный в результате взаимодействия с секущей плоскостью, не более. Это главное, чем отличается сечение от разреза.
Виды
5.1. Установлены следующие названия видов, получаемых на основных плоскостях проекций (основные виды, рисунок 2):
1 — вид спереди (главный вид);
2 — вид сверху;
3 — вид слева;
4 — вид справа;
5 — вид снизу;
6 — вид сзади.
При выполнении графических документов в форме электронных моделей (ГОСТ 2.052) для получения соответствующих изображений следует применять сохраненные виды.
В строительных чертежах в необходимых случаях соответствующим видам допускается присваивать специальные названия, например «фасад».
Названия видов на чертежах надписывать не следует, за исключением случая, предусмотренного в 5.2. В строительных чертежах допускается надписывать название вида с присвоением ему буквенного, цифрового или другого обозначения.
5.2. Если виды сверху, слева, справа, снизу, сзади не находятся в непосредственной проекционной связи с главным изображением (видом или разрезом, изображенным на фронтальной плоскости проекции), то направление проецирования должно быть указано стрелкой около соответствующего изображения. Над стрелкой и над полученным изображением (видом) следует нанести одну и ту же прописную букву (см. рисунок 8).

Рисунок 8
Чертежи оформляют так же, если перечисленные виды отделены от главного изображения другими изображениями или расположены не на одном листе с ним.
Когда отсутствует изображение, на котором может быть показано направление взгляда, название вида надписывают.
В строительных чертежах допускается направление взгляда указывать двумя стрелками (аналогично указанию положения секущих плоскостей в разрезах).
В строительных чертежах независимо от взаимного расположения видов допускается надписывать название и обозначение вида без указания направления взгляда стрелкой, если направление взгляда определяется названием или обозначением вида.
5.3. При необходимости получения на чертеже наглядного изображения предмета применяют аксонометрические проекции по ГОСТ 2.317.
5.4. Если какую-либо часть предмета на чертеже невозможно показать на перечисленных в 5.1 видах без искажения формы и размеров, то применяют дополнительные виды, получаемые на плоскостях, непараллельных основным плоскостям проекций (см. рисунки 9 — 11). В электронных моделях дополнительные виды не применяют.
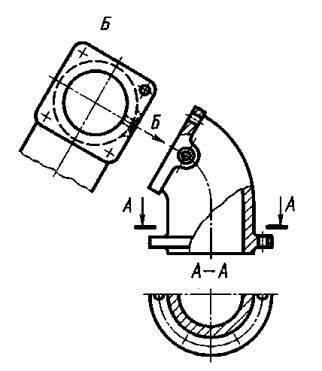
5.5. Дополнительный вид должен быть отмечен на чертеже прописной буквой (см. рисунки 9, 10), а у связанного с дополнительным видом изображения предмета должна быть поставлена стрелка, указывающая направление взгляда, с соответствующим буквенным обозначением (например, стрелка Б, рисунки 9, 10).

Рисунок 9

Рисунок 10
Когда дополнительный вид расположен в непосредственной проекционной связи с соответствующим изображением, стрелку и обозначение вида не наносят (см. рисунок 11).
Рисунок 11
5.6. Дополнительные виды располагают, как показано на рисунках 9 — 11. Расположение дополнительных видов по рисункам 9 и 11 предпочтительнее.
Дополнительный вид допускается повертывать, но с сохранением, как правило, положения, принятого для данного предмета на главном изображении, при этом обозначение вида должно быть дополнено условным графическим обозначением —
. При необходимости указывают угол поворота (см. рисунок 12).
Несколько одинаковых дополнительных видов, относящихся к одному предмету, обозначают одной буквой и вычерчивают один вид. Если при этом связанные с дополнительным видом части предмета расположены под различными углами, то к обозначению вида условное графическое обозначение
не добавляют.

Рисунок 12
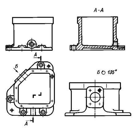
5.7. Местный вид (вид Г, рисунок 8; вид Д, рисунок 13) может быть ограничен линией обрыва, по возможности в наименьшем размере (вид Д, рисунок 13), или не ограничен (вид Г, рисунок 13). Местный вид должен быть отмечен на чертеже подобно дополнительному виду.

Рисунок 13
5.8. Соотношение размеров стрелок, указывающих направление взгляда, должно соответствовать приведенным на рисунке 14.

Рисунок 14
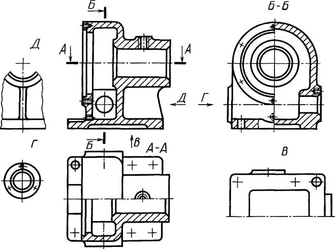
Обозначение разрезов на чертежах
Обозначение разрезов установлено согласно специальной документации и в строительстве определяется системой ГОСТа 2.305-2008. Требования заключаются в различиях между разрезами и сечениями и определяются правилами:
- Линия сечения, проведенная на чертеже, означает положение секущей плоскости.
- Характеристики линии сечения определяется разомкнутым типом, S-1, 5S, длиной 8-20 мм.
- На сложных разрезах дополнительно помечают штрихами места пересечения секущих плоскостей друг с другом.
- Начальный и конечный штрихи обозначают стрелками, указывающими направление взгляда. Стрелки наносят, придерживаясь расстояния от внешнего конца штриха, равного 2-3 мм.
- Размеры стрелок не должны превышать рекомендованные значения.
- Согласно техническим характеристикам, пересечение контуров нанесенного на бумагу изображения штрихами недопустимо.
- Начало, конец и места пересечения линий сечения обозначаются одной и той же буквой русского алфавита, цифрой или символом. Пометка ставится около стрелки, указывающей направление взгляда. В местах пересечения обязательно со стороны внешнего угла.
- Разрезы всегда обозначаются буквенной надписью по типу А-А.
- Фронтальные и профильные разрезы, как правило, изображаются в положении, соответствующем предмету зарисовки.
- Горизонтальная, фронтальная, профильная проекция располагается на месте соответствующего основного вида.
- Допустимо расположение разреза в любом удобном месте на полях чертежей. С поворотом изображения к рисунку добавляется условное обозначение, указывающее угол и направление поворота и пометка «Повернуто».
Инженерная графика как способ представления информации об окружающих предметах
Сечения/разрезы явным образом входят в состав чертежа — такого вида инженерной графики, где на носителе (бумаге, плёнке, кальке и т.п.) строятся изображения предметов в проекциях по определённым правилам и в масштабе, посредством графических примитивов: точек, отрезков прямых/кривых линий, дополнительных символов и обозначений и т.д.

Любой чертёж предназначен для конечного понимания/интерпретации человеком и должен изготавливаться по стандартизованным правилам, по сути являющимся указаниями по кодированию информации об интересующем предмете с целью минимизации её избыточности. В России формальные требования к чертежам сведены воедино и представлены в соответствующем ГОСТе на документацию.
Сечения и их виды
Под сечением понимается изображение, образуемое при мысленном рассечении интересующего предмета определённым образом ориентированной плоскостью. Если представить предмет «пропитанным краской», а плоскость — реальной и прозрачной, то сечение будет тем «окрашенным следом», которой бы оставил на секущей плоскости сам предмет при рассечении ею. На чертеже получившуюся фигуру сечения явно выделяют косой штриховкой, а сами сечения подразделяют на выносные (вне контура рисунка объекта) и наложенные (поверх соответствующего вида объекта).

Наклонное сечение
Дополнительно на чертеже стрелками задаётся «направление взгляда» и месторасположение секущей плоскости, а буквами — её уникальное наименование. Типично сечения производятся в масштабе, аналогичном основному изображению, в противном же случае явно указывается используемый масштаб. Также различают прямые и косые/наклонные (расположенные под углом) сечения относительно осей координат.

Сечение
Как сделать разрез на чертеже в Солид Воркс
В программе Solidworks (СолидВоркс) разрез также создается путем разделения вида линией сечения. Для этого сначала нужно активизировать вид из контекстного меню, затем найти команду «Инструменты» в меню, выбрать «Объекты эскиза», затем выбрать «Линия» и «Инструменты эскиза». На модели проводят линию, выделяют ее, нажимают на иконку «Вставка» и выбирают «Создать линию сечения». Направление взгляда в Солид Воркс также легко поменять двойным нажатием. Затем выполняют команду «Вставка”, выбирают «Чертежный вид», затем «Сечение».
Рисунок 8. Как сделать разрез на чертеже в Солид Воркс
Как показать разрез на чертеже
Чтобы правильно сделать чертеж детали необходимо выполнить на чертеже ее изображение в нескольких проекциях. Инженерная графика подразумевает выполнение чертежей деталей в определенной последовательности:
- первоначально нужно осуществить выбор формата листа (А0, А1, А2, А3, А4) и выполнить компоновку на черновике. Если показать и отобразить все виды на одном листе не удается, то их разносят на разные листы;
- затем нужно построить основные виды, к примеру для здания это будет план и фасад;
- на плане необходимо обозначить место сечения, по которому будет проходить условная плоскость, рассекающая объект на части. Указать разрез с помощью условного обозначения, утолщенной линии, стрелки с указанием направления взгляда и номера сечения;
- разрезы необходимо строить вместо и на месте соответствующего вида, например, фронтальный разрез выполняется вместо вида спереди;
- простой разрез состоит из одной секущей плоскости, он показывается с двух сторон от детали, но иногда такой разрез бывает не показателен, и наиболее целесообразный путь – нарисовать сложный разрез, на нем выделяют все характерные элементы, сечение может быть наклонным;
- построение разреза ведется на основании других проекций, фигура сечения, которая входит в разрез, штрихуется, а те линии, что были невидимыми на плане, в разрезе становятся видимыми.
Применение правил нанесения изображений и пересечений на чертеже позволяет соблюдать принятую во всем мире единую систему отображения. С помощью условных обозначений показывается вся необходимая информация.
В ряде случаев выполняется профильный разрез, согласно определению, так называется вертикальный или горизонтальный разрез, полученный при условном рассечении детали плоскостью, параллельной профильной плоскости проекции. Такой разрез делается для того, чтобы изобразить невидимые части детали и указать их характеристики.
Рисунок 2. Как нанести разрез
Сечения
Сечением называется изобpажение фигуpы, получающейся пpи мысленном pассечении пpедмета одной или несколькими плоскостям.
Hа сечении показывают только то, что получается непосpедственно в секущей плоскости.

Рисунок 11.12 – Сечение вынесенное, наложенное, в разрыве
Контур вынесенного сечения изображают сплошными основными линиями, а контур наложенного сечения – сплошными тонкими линиями. При чем контур изображения в месте расположения наложенного сечения не прерывают.
Условности и упрощения

Рисунок 11.12 – Условности и упрощения на деталях

Рисунок 11.13 – Условности и упрощения на сборочных чертежах и деталях
Если изобpажение пpедмета является симметpичной фигуpой, то допускается вычеpчивать половину изобpажения или немного более половины.
Допускается изобpажать в pазpезе отвеpстия, pасположенные на кpуглом фланце, когда они не попадают в секущую плоскость.

Рисунок 11.14 – Условности для симметpичных деталей
| Рекомендую подробно изучить предметы: |
|
| Ещё лекции с примерами решения и объяснением: |
- Геометрические тела
- Комплексный чертеж
- Определение видимости
- Конструктивное отображение пространства
- Позиционные задачи
- Методы преобразования эпюра Монжа
- Касательные плоскости
- Пересечение поверхностей вращения плоскостью
Термины и определения
В настоящем стандарте применены следующие термины с соответствующими определениями:
3.1. вертикальный разрез: Разрез, выполненный секущими плоскостями, перпендикулярными к горизонтальной плоскости проекций.
3.2. вид предмета (вид): Ортогональная проекция обращенной к наблюдателю видимой части поверхности предмета, расположенного между ним и плоскостью проецирования.
3.3. вынесенное сечение: Сечение, расположенное на чертеже вне контура изображения предмета или в разрыве между частями одного изображения.
3.4. выносной элемент: Дополнительное, обычно увеличенное, отдельное изображение части предмета.
3.5. главный вид предмета (главный вид): Основной вид предмета на фронтальной плоскости проекции, который дает наиболее полное представление о форме и размерах предмета, относительно которого располагают остальные основные виды.
3.6. горизонтальный разрез: Разрез, выполненный секущими плоскостями, параллельными горизонтальной плоскости проекций.
3.7. дополнительный вид предмета (дополнительный вид): Изображение предмета на плоскости, непараллельной ни одной из основных плоскостей проекций, применяемое для неискаженного изображения поверхности, если ее нельзя получить на основном виде.
3.8. ломаный разрез: Сложный разрез, выполненный пересекающимися плоскостями.
3.9. местный вид предмета (местный вид): Изображение отдельного ограниченного участка поверхности предмета.
3.10. местный разрез: Разрез, выполненный секущей плоскостью только в отдельном, ограниченном месте предмета.
3.11. наклонный разрез: Разрез, выполненный секущей плоскостью, составляющей с горизонтальной плоскостью проекций угол, отличный от прямого.
3.12. наложенное сечение: Сечение, расположенное непосредственно на изображении предмета вдоль следа секущей плоскости.
3.13. ортогональная (прямоугольная) проекция: Параллельная проекция предмета или его части на плоскость, перпендикулярную к направлению проецирующих лучей, представляющую совмещенную с чертежом одну из граней пустотелого куба, внутри которого мысленно помещен предмет.
3.14. основной вид предмета (основной вид): Вид предмета, который получен путем совмещения предмета и его изображения на одной из граней пустотелого куба, внутри которого мысленно помещен предмет, с плоскостью чертежа.
Примечание — Основной вид предмета может относиться к предмету в целом, его разрезу или сечению.
3.15. параллельная проекция: Изображение предмета или его части, полученное проецированием их воображаемым параллельным пучком лучей на плоскость.
3.16. поперечный разрез: Разрез, выполненный секущей плоскостью, направленной перпендикулярно к длине или высоте предмета.
3.17. продольный разрез: Разрез, выполненный секущей плоскостью, направленной вдоль длины или высоты предмета.
3.18. простой разрез: Разрез, выполненный одной секущей плоскостью.
3.19. профильный разрез: Вертикальный разрез, выполненный секущими плоскостями, параллельными профильной плоскости проекций.
3.20. разрез предмета (разрез): Ортогональная проекция предмета, мысленно рассеченного полностью или частично одной или несколькими плоскостями для выявления его невидимых поверхностей.
3.21. сечение предмета (сечение): Ортогональная проекция фигуры, получающейся водной или нескольких секущих плоскостях или поверхностях при мысленном рассечении проецируемого предмета.
Примечание — При необходимости в качестве секущей допускается применять цилиндрическую поверхность, развертываемую на плоскость чертежа.
3.22. сложный разрез: Разрез, выполненный двумя и более секущими плоскостями.
3.23. ступенчатый разрез: Сложный разрез, выполненный параллельными секущими плоскостями.
3.24. фронтальный разрез: Вертикальный разрез, выполненный секущими плоскостями, параллельными фронтальной плоскости проекций.









![Глава v. сечения и разрезы [1988 вышнепольский и.с. - техническое черчение с элементами программированного обучения (учебник для средних и проффессионально-технических училищ.)]](https://otlichaet.com/wp-content/uploads/6/e/a/6eaaf585f3b04c298c411b96fb3e60b9.jpeg)




















