Комбинация из звезды и треугольника
Если конструкция сложного типа, то используют комбинированный метод звезды и треугольника. Использование подобного способа ведет к тому, что сильно возрастает мощность. Но в случае, когда двигатель не может подойти по техническим характеристикам, все будет перегреваться и сгорит.
Чтобы снизить линейное напряжение в обмотках статора, следует применить схему звезда. После снижения протекающего тока начнется увеличение частоты. Схема релейно-контактного типа помогает переключить треугольник на звезду.
Именно эта комбинация выдает наибольшую надежность и значительную продуктивность применяемого оборудования без опасений в плане выхода из строя. Эта схема эффективна для двигателей, где задействована облегченная схема пуска. Но при понижении пускового тока и неизменном моменте ее применять не стоит. Альтернативой служит фазный ротор с реостатом для пуска.
Звезда или треугольник: какое подключение лучше?
Подключение электрических двигателей может быть выполнено двумя способами: звездой или треугольником. Оба метода имеют свои преимущества и недостатки, поэтому выбор должен основываться на конкретных требованиях и условиях эксплуатации.
Подключение звездой
- Подключение звездой является наиболее простым и распространенным способом подключения трехфазного двигателя.
- Оно обеспечивает низкие токи в цепи питания, что позволяет использовать более тонкие провода и меньшие защитные устройства.
- Такое подключение также обеспечивает более низкие величины пускового тока и лучшую стабильность в работе.
Подключение треугольником
- Подключение треугольником обеспечивает высокие значения тока в цепи питания, поэтому требует использования более толстых проводов и более мощных защитных устройств.
- Однако, такое подключение позволяет получить большую мощность двигателя и лучшую производительность.
- Также следует отметить, что при использовании подключения треугольником частота вращения обмоток статора будет на 30-40% выше, чем при подключении звездой.
При выборе между подключением звездой или треугольником следует учитывать как электротехнические, так и экономические факторы. Если требуется экономия ресурсов, упрощение пусковых систем и использование более компактных устройств, то подключение звездой может быть предпочтительным. В случаях, когда требуется большая мощность и производительность, подключение треугольником может быть более подходящим.
Электродвигатель асинхронный: устройство
Как говаривал Антон Павлович Чехов:
Начать повторение темы электрических асинхронных двигателей логично детальным обзором конструкции. Двигатели стандартного исполнения построены на базе следующих конструктивных элементов:
- алюминиевый корпус с элементами охлаждения и крепёжным шасси;
- статор – три катушки, намотанные медным проводом на кольцевой основе внутри корпуса и размещённые противоположно одна другой под угловым радиусом 120º;
- ротор – металлическая болванка, жёстко закреплённая на валу, вставляемая внутрь кольцевой основы статора;
- подшипники упорные для вала ротора – передний и задний;
- крышки корпуса – передняя и задняя, плюс крыльчатка для охлаждения;
- БРНО – верхняя часть корпуса в виде небольшой прямоугольной ниши с крышкой, где размещается клеммник крепления выводов обмоток статора.
Структура мотора: 1 – БРНО, где размещается клеммник; 2 – вал ротора; 3 – часть общих статорных обмоток; 4 – крепёжное шасси; 5 – тело ротора; 6 – корпус алюминиевый с рёбрами охлаждения; 7 – крыльчатка пластиковая или алюминиевая
Вот, собственно, вся конструкция. Большая часть асинхронных электродвигателей являются прообразом именно такого исполнения. Правда, встречаются иногда экземпляры несколько иной конфигурации. Но это уже исключение из правил.
Обозначение и разводка статорных обмоток
Остаются в эксплуатации ещё достаточно большое число асинхронных электродвигателей, где обозначение статорных обмоток выполнено по устаревшему стандарту. Таким стандартом предусматривалась маркировка символом «С» и добавлением к нему цифры — номера вывода обмотки, обозначающего её начало либо конец.
При этом цифры 1, 2, 3 – всегда относятся к началу, а цифры 4, 5, 6, соответственно, обозначают концы. Например, маркеры «С1» и «С4» обозначают начало и конец первой статорной обмотки.
Маркировка концевых частей проводников, выводимых на клеммник БРНО: А – устаревшее обозначение, но всё ещё встречающееся на практике; В – современное обозначение, традиционно присутствующее на маркерах проводников новых моторов
Современные стандарты изменили эту маркировку. Теперь отмеченные выше символы заменены другими, соответствующими международному образцу (U1, V1, W1 – начальные точки, U2, V2, W2 – концевые точки) и традиционно встречаются при работе с асинхронными движками нового поколения.
Проводники, исходящие от каждой из обмоток статора, выводятся в область клеммной коробки, что находится на корпусе электродвигателя и подключаются к индивидуальной клемме. В общей сложности количество индивидуальных клемм равно числу выведенных начальных и конечных проводов общей намотки. Обычно это 6 проводников и такое же число клемм.
Таким выглядит клеммник движка стандартной конфигурации. Шесть выводов соединяются латунными (медными) перемычками перед подключением мотора под соответствующее напряжение
Между тем, встречаются также вариации развода проводников (редко и обычно на старых моторах), когда в область БРНО выведены 3 провода и присутствуют только 3 клеммы.
Управление схемой
Для включения правильного контактора в нужный момент может применяться несколько версий:
- Тумблеры. Простейший вариант, позволяющий вручную управлять процессом. Требует скрупулезного соблюдения алгоритма.
- Трехпозиционный переключатель. Есть в продаже, также может быть собран самостоятельно из стандартного кулачкового варианта.
- Релейная система, таймер. Используется с включением реле времени. Оно может быть электронного или пневматического вида.
- Специализированное реле.
- Универсал. Управление такого исполнения передается программе, которая регулирует моменты переключения режимов контроллером.
Подача питания на схему управления может выполняться посредством тумблера или же в классическом варианте, с самоподхватом.
Релейное исполнение достаточно просто, а также не совсем надежно, поскольку возможны нестыковки между режимными контакторами. Проблема во времени срабатывания (отключения/включения). Ее стабильность, надежность во многом зависима от качества, конструкции контакторов. Для снижения риска аварийной ситуации рекомендуется использовать дополнительный блокиратор электрического или механического типа.
Работа при применении «звезда-треугольник»
Принцип работы комбинированного подключения у всех двигателей функционирует одинаково. Используется данный алгоритм:
- Подача питания на начальные выводы. При запуске контактором подключается «звезда», объединяющая все конечные контакты на единой точке или перемычке-планке.
- Разгон. После пуска двигатель работает определенный промежуток времени, который зависит от сложности процесса. Время разгона может достигать нескольких минут. За контроль таймера отвечает реле времени, присутствующее в цепи.
- Защитный интервал. Чтобы обеспечить безаварийную работу системы, на время напряжение с агрегата снимается (период может составлять 50-500мс). Вращение продолжается по инерции. Параллельно происходит переключение контакторов. Отключается стартовый режим, включается «дельта». Длительность временного промежутка обусловлена тем, что отключение контактора занимает больше времени, чем включение, из-за намагничивания.
- Включение. После того как второй таймер срабатывает, происходит перевод двигателя на систему «треугольника», подающую нормальное рабочее питание. Это – основной режим, при котором агрегат эксплуатируется до его отключения.
Второй таймер – не обязательный элемент схемы, однако при его отсутствии система дополняется блокиратором, который не позволяет включить «треугольник» пока «звезда» не отключена. В противном случае возможны конфликты между контакторами, которые способны привести к выходу энергопотребителя из строя.
Это – простейшее описание принципа работы комбинированного способа подключения. С точки зрения схемы процесс регулируется 2 частями системы – силовой, управляющей. Каждая из них имеет свое устройство, может быть реализована несколькими вариантами в зависимости от конструкции и потребностей конкретного случая.
Фазное и линейное напряжение – что это такое, чем различаются
Для начала выделю такой главный момент, что поступающая в дом с линии электропередач электроэнергия вырабатывается 3-х-полюсным энергогенератором. В упрощенной форме можно сказать, что взаимодействие статора с ротором, приводит к образованию на выходе каждого из 3-х модулей собственной разности потенциала.
Ввиду того, что их всего 3, каждый из них образует отдельный контакт, вырабатывающий ток. Однако электроток возникает из одного генератора, и каждый из 3-х сегментов занимает ровно 120° в окружности обмотки. Поэтому все 3 фазы вырабатываемого переменного электричества имеют сдвиг относительно друг друга ровно на 120 градусов.
В 1-фазной сети потенциал меняется от 0 до 220 вольт 50 раз в течение 1 секунды (графически это отображается синусоидой). Для маломощных бытовых приборов это некритично. Другое дело – большая мощность потребления. Тогда применяется 3-фазная цепь. В ней такой недостаток компенсируется всеми 3-мя фазами – то есть пока одна фаза затухает, тут же возрастает 2-ая, в то же время как 3-яя уже на пике.
Графическая схема смещения фаз друг относительно друга в 3-фазной сети переменного тока
Именно в этом и заключается главное отличие однофазного тока от трехфазного – при этом первое носит название фазного (220 В «фаза + ноль»), второе линейного напряжения (380 В «фаза + фаза»).
На заметку!
По заявке владельца сегодня к частному дому можно подключить 3 фазы. Нужно это не только для эксплуатации электрооборудования на 380 В. По факту получается 3 отдельные фазы на 220 вольт, к которым потом можно будет подключить все бытовые приборы для эффективного распределения нагрузки. Однако делать это нужно грамотно, чтобы не возникало перекоса фаз.
Виды соединений
Конструкция электромотора достаточно проста и состоит из двух главных элементов — неподвижного статора и расположенного внутри, вращающегося ротора. Каждая из этих частей имеет собственные обмотки, проводящие ток. Статорная уложена в специальные пазы при обязательном соблюдении расстояния в 120 градусов.
Чтобы их соединить, можно использовать один из трех способов:
- «Звезда»;
- «Треугольник»;
- «Звезда-треугольник».
Если все оконечности статорной обмотки соединяются в одной точке, то этот тип подключения носит название «звезда». Если же все концы обмотки соединены последовательно, то это «треугольник». В этом случае контакты располагаются так, что их ряды смещаются относительно друг друга. В результате напротив клеммы С6 находится вывод С1 и т. д. Это один из ответов на вопрос, в чем разница соединений звездой и треугольником.
Кроме этого, в первом случае обеспечивается более плавная работа мотора, но не достигается максимальная мощность. Если используется схема «треугольник», то в обмотках возникают большие пусковые токи, отрицательно влияющие на срок службы агрегата. Для их снижения приходится использовать специальные реостаты, делающие пуск максимально плавным.
Если 3-фазный двигатель подключается к сети в 220 вольт, то вращающего момента недостаточно для запуска. Чтобы увеличить этот показатель, используются дополнительные элементы. В бытовых условиях оптимальным решением станет фазосдвигающий конденсатор. Следует заметить, что мощность трехфазных сетей выше в сравнении с однофазными. Это говорит о том, что подключение 3-фазного мотора в однофазную электросеть обязательно приведет к потере мощности. Невозможно точно сказать, какой из этих способов лучше, так как у каждого есть не только преимущества, но и недостатки.
Что такое – соединение звездой и треугольником
Подключение двигателя с обмоткой представляет собой последовательное соединение проводов в трехфазной электросети. Результатом обмотки становится получение замкнутой электрической сети.
Структура подключения проводов – это удобные варианты обмотки, применяемые для электродвигателей, трансформаторов и другого электрооборудования.
Принцип работы схемы
Электродвигатель представлен рабочими обмотками. Каждый из них имеет начальную, а также конечную точку, то есть у них есть начало и конец. Концы всех элементов соединяют в одну общую точку, которой дают название «нейтральной».

Особенности обмотки звездой:
- безостановочная работа двигателя, благодаря устойчивому длительному режиму подключения;
- надежность и долговечность, благодаря снижению мощности оборудования;
- наличие плавного пуска;
- отсутствие перегрева корпуса в процессе эксплуатации.
Если для оборудования характерно выведение на колодку только 3 проводов, то соединить можно самостоятельно, не прибегая к услугам грамотных специалистов.
Мнение эксперта
Карнаух Екатерина Владимировна
Закончила Национальный университет кораблестроения, специальность “Экономика предприятия”
Треугольник представляет собой последовательное соединение начала с концом обмотки провода, затем конца с началом следующего участка. По аналогии соединяют другие провода, итогом становится обмотка фазы, которая замыкает электрическую цепь. Соединение в виде треугольника каждой из обмоток предполагает наличие напряжения, равного 220 или 380 В.
Основные свойства треугольника:
- возможность увеличить мощность электрооборудования до предельных значений;
- возможность дополнительно использовать пусковой реостат;
- повышение вращающегося момента;
- наличие больших тяговых усилий.
Следует заметить, что при использовании этой схемы длительная работа двигателя заставляет его сильнее нагреваться.
Сферы применения
О вариантах создания замкнутой электрической сети больше могут рассказать профессиональные электрики. Типы соединений используют в электродвигателях, генераторах, силовых трансформаторах, любых устройствах, связанных с подачей электрического тока.
Как определить тип соединения
Самый простой способ определения типа организации – это подсчет проводов. Если от двигателя выходит только 3 провода, то использована схема звезда. Треугольник чаще монтируют таким образом, чтобы вывести 6 проводов. Кроме того, схемы полностью повторяют очертания фигур, по которым даны названия.
Плюсы и минусы соединений при подключении двигателя
Чтобы подключить трехфазный асинхронный электродвигатель, необходимо понять, к какой группе он относится. При использовании двигателя с показателями от 220 до 380 В применяют обмотку треугольником. Если граница выше 380 В, то применяют обмотку звездой.

Преимущества АД
Использование АД в производственных системах широко распространено в силу его положительных сторон:
- Конструкция. В сравнении с другими разновидностями, асинхронная наиболее проста конструктивно. Это объясняется возможностью включения в стандартную трехфазную сеть, а также принципом эксплуатации. Простота делает АД наиболее дешевым среди конкурентов в аналогичной области.
- Принцип запуска. Использование смещенных на 120о обмоток позволяет формировать поле без применения дополнительных преобразующих устройств и элементов. Сама конструкция обуславливает вращение. Для его запуска достаточно подать питание любым подходящим способом (чаще – посредством контактора).
- Использование. Эксплуатационные расходы на асинхронные конструкции небольшие, а обслуживание не требует особых навыков. Достаточно очищать систему от пыли и обеспечивать правильное подсоединение контактов электродвигателя при необходимости.
Также среди преимуществ устройств данного типа стоит отметить долговечность и надежность при широком диапазоне мощности. При правильных условиях эксплуатации и регулярном обслуживании подшипники менять придется не чаще, чем раз в 15 лет.
В чем различия этих соединений

Разница между этими способами заключается в условиях пуска, рабочей мощности подключенного двигателя. При соединении клемм электродвигателя типа «звезда» весь процесс работы проходит более плавно, мягко. Однако техника не способна выйти на максимальную рабочую мощность, заявленную сопутствующей документацией. Также при больших пусковых нагрузках такой способ подключения способен повредить силовой агрегат.
Соединение «треугольник» для электродвигателя является возможностью достижения наивысшего показателя КПД. Агрегат развивает максимальную мощность, указанную в документации. Отрицательным моментом являются большие пусковые токи. Для повышения плавности запуска в данном варианте применяется пусковой реостат, позволяющий компенсировать этот недостаток «треугольника».
Исходя из типа подключения, мощность агрегата меняется втрое. Если выполняется включение модели, рассчитанной на работу со «звездой» при 380В, необходимо соблюдать именно «звездную» схему. После переключения его на «треугольник» мощность возрастет втрое, вероятность перегорания агрегата практически равна 100%. Однако при обратной ситуации у двигателя просто втрое упадет мощность.
Именно второй вариант применяется в системах запуска электродвигателей. При пуске токовая величина в несколько раз превышает номинальную (показатель может быть кратным 8). Это крайне негативно влияет на состояние сети, а также способно сильно сократить эксплуатационный период подключенного оборудования.
Варианты подключения
Контакты обмоток трансформатора или генератора в сетях с 3-фазного напряжения объединяются 2-мя способами:
- Звезда. Концы обмоток стыкуются в единую точку.
- Треугольник. Соединение обмоток выполняется таким образом, чтобы конец 1-ой стыковался с началом 2-ой, а конец 2-ой с началом 3-ей, и конец 3-ей с началом 1-ой.
Видео о том, что лучше для дома 1 или 3 фазы:
При этом подключить потребителя к сети можно по следующим вариантам схем:
- Звезда-звезда – с применением нейтрального проводника.
- Звезда-звезда – без нулевого провода.
- Звезда-треугольник.
- Треугольник-звезда.
- Треугольник-треугольник.
Наличие такого разнообразия вариантов подключения в системе трехфазного переменного тока обуславливается тем, что как источник, так и потребитель можно подключать звездой или треугольником. При этом в каждом случае будет возникать свои линейные и фазные соответствия.
Особенности подключения двигателя
Если вы хотите подключить 3-х-фазный электродвигатель асинхронного типа, и при этом получить максимальный КПД, советую соединять контакты его обмотки по схеме «треугольник». При этом надо учесть, что в таком случае включение мотора в качестве нагрузки будет иметь следующие особенности:
- Потребляемая мощность возрастает в 1,5 раза.
- Ввиду усилия, требуемого для раскрутки, сила пускового тока повышается в 6-7 раз по сравнению с рабочим значением.
- При внезапном возрастании сопротивления вращающегося вала происходит резкий скачок силы тока.
Видео-обзор о том, как выполняется подключение «звезда» и «треугольник» на примере асинхронного двигателя:
Всего этого можно избежать, если подключить электропривод по схеме «звезды». Ценой некоторого понижения КПД удастся исключить риск перегрева и рывок при запуске, обеспечив плавное нарастание оборотов до рабочего уровня. Благодаря этому оборудование будет работать хотя и слабее, но надежнее и дольше без риска поломки.
Обратите внимание!
В зависимости от схемы подключения обмоток различаются 2 вида электротока – фазное и линейное. Так, когда ток трехфазной цепи на 380 В циркулирует по обмотке потребителя или генератора, речь идет о межфазном или фазном напряжении. Когда же передача идет через проводник от источника к нагрузке, говорят о линейной разновидности.
Видео-советы по тому, что лучше для дома – 1 или 3 фазы:
https://youtube.com/watch?v=sFQJpeWD–U
Почему при подключении звездой, ток не становится меньше (при неизменной нагрузке)
При соединении обмоток электродвигателя треугольником фазный ток в 1.73 раза меньше линейного.
Давайте приведу пример: На шильдике электродвигателя указан
ток 30А при соединении обмоток треугольником и напряжением 380 вольт. 30 ампер
– это линейный ток, значит, чтобы
получить фазный, нам надо 30/1.73. В итоге фазный ток равен 17,3 Ампера. Т.е.
номинальный ток для обмотки двигателя 17,3 Ампера.
А теперь мы переключим двигатель с треугольника на звезду, но нагрузка на валу двигателя остаётся таже самая.
При соединении электродвигателя звездой линейный ток будет
равен фазному. Напряжение на обмотке уменьшится в 1.73 раза. Следовательно на
обмотку будет подаваться уже не 380 вольт, а 220.
В результате по обмотке будет протекать не 17,3 А, а целых
30 Ампер. Почему?
Потому что ток будет компенсировать падение напряжения на обмотке, которое у нас упало в 1,73 раза. Значит ток вырастит в 1,73 раза. Двигатель греется и если отсутствует защита – сгорает. А двигатель стоит немалых денег, поэтому Вы должны знать как подключить асинхронный двигатель!
Еще один пример для понимания
Обратите внимание на следующий шильдик электродвигателя:
Электродвигатель треугольник/звезда: 220 вольт/380 вольт:
38,3/22,2 Ампера.
Соединяем двигатель треугольником и подаём напряжение 220 вольт. Ток (линейный) по шильдику равен 38,3 Ампер. Следовательно, фазный будет равен 38,3/1,73= 22,2 Ампер. Т.е мы определили, что фазный номинальный ток для обмотки = 22,2 Ампер. Поехали дальше…
А теперь соединяем обмотки электродвигателя звездой и подаём напряжение 380 Вольт. Ток будет равен 22,2 Ампер. В звезде линейный ток равен фазному току.
Вывод:
При треугольнике и питающем напряжении 220 вольт, фазный ток равен 22,2 Ампер.
При звезде и питающем напряжении 380 вольт, фазный ток равен 22,2 Ампер. Следовательно мощность у двигателя будет одинаковая при таких подключениях.
А, что если мы соединим этот двигатель звездой и подадим напряжение 220 вольт. На обмотку будет приходиться уже 127 Вольт. Поэтому ток будет компенсировать падение напряжение на обмотке в 1,73 раза и будет равен 38,3 Ампер. А обмотка у нас рассчитана на 22,2 Ампер. Двигатель сгорит.
Способы переключения схем «звезда»-«треугольник»
Конструкция большинства электродвигателей позволяет выполнять переключение из одной схемы соединения в другую. Для этого начала и концы обмоток выведены на терминал так, чтобы простым изменением положения накладок можно было из «звезды» сделать «треугольник» и наоборот.

Владелец электродвигателя сам может выбрать, что ему необходимо – мягкий старт с небольшими пусковыми токами и плавная работа или наибольшая мощность, развиваемая двигателем. Если нужно и то, и другое, можно производить переключение автоматически с помощью мощных контакторов.

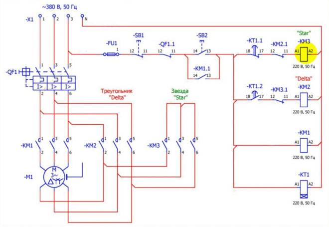
При нажатии пусковой кнопки SB2, электродвигатель включается по схеме «звезда». Контактор KM3 подтянут, его контакты замыкают между собой выводы обмоток электродвигателя с одной стороны. Противоположные выводы подключаются к сети, каждый к своей фазе через контакты КM1. Если этот контактор включен, трехфазное напряжение подается на обмотки и ротор электромотора приводится во вращение. После некоторого времени, установленного на реле KT1, происходит переключение катушки КM3, она обесточивается, включается контактор KM2, переключая обмотки в «треугольник».
Переключение происходит после того, как двигатель набрал обороты. Этот момент можно контролировать по датчику частоты вращения, но на практике все делается проще. Переключением управляет реле времени – через 5-7 секунд считается, что пусковые процессы завершены, и можно включать двигатель в режим максимальной мощности. Затягивать этот момент не стоит, так как длительная работа с превышением допустимой для «звезды» нагрузки может привести к выходу электропривода из строя.
При реализации такого режима надо помнить следующее:
Пусковой момент двигателя с обмотками, подключенными «звездой» значительно ниже значения этой характеристики электромотора с соединением «треугольник», поэтому запуск электродвигателя с тяжелыми пусковыми условиями таким способом не всегда возможен. Он просто не придет во вращение. К таким случаям относятся электроприводные насосы, работающие с противодавлением и т.п. Подобные проблемы решают с помощью двигателей с фазным ротором, плавно увеличивая ток возбуждения при пуске. Успешно пуск «звездой» применяется при работе с центробежными насосами, работающими на закрытую задвижку, в случае вентиляторных нагрузок на валу двигателя и т.п.
Обмотки электромотора должны выдерживать линейное напряжение сети
Важно не путать электродвигатели D/Y 220/380 вольт (обычно, маломощные асинхронники до 4 кВт) и D/Y 380/660 вольт (обычно, 4 кВт и выше). Сеть 660 вольт практически нигде не используется, но для переключения «звезда-треугольник» можно применять только электромоторы с таким номинальным напряжением
Привод на 220/380 в трехфазную сеть включается только «звездой». В схеме переключения их использовать нельзя.
Должна выдерживаться пауза между выключением «звездного» контактора и включением «треугольного», чтобы избежать накладок. Но увеличивать её сверх меры нельзя, чтобы не допустить остановки электродвигателя. При самостоятельном изготовлении схемы её, возможно, потребуется подобрать экспериментально.
Применяется и обратное переключение. Оно имеет смысл, если мощный двигатель временно работает с небольшой нагрузкой. При этом его коэффициент мощности невысок, потому что активная потребляемая мощность определяется уровнем загрузки электродвигателя. Реактивная же, в основном, определяется индуктивностью обмоток, которая не зависит от нагрузки на валу. Для улучшения соотношения потребляемых активной и реактивной мощностей, можно переключить обмотки в схему «звезда». Это также можно делать вручную или автоматически.
Схема переключения может быть собрана на дискретных элементах – реле времени, контакторах (пускателях) и т.п. Выпускаются и готовые технические решения, объединяющие схему автоматического переключения в одном корпусе. Надо лишь подключить к выходным клеммам электродвигатель и питание от трехфазной сети. Такие устройства могут носить разные названия, например «пусковое реле времени» и т.п.
Включение обмоток электродвигателя по разным схемам имеет свои преимущества и недостатки. Основой грамотной эксплуатации является знание всех плюсов и минусов. Тогда двигатель прослужит долго, принося максимальный эффект.
Реле времени: типы, применение, принцип работы
Как подключить 3 фазный электродвигатель к сети 220 вольт через конденсатор
Проверка электродвигателей разного вида с помощью мультиметра
Что такое фазное и линейное напряжение?
Что такое электромагнитное реле, их виды и принцип работы
Что такое реле напряжения и для чего оно нужно в квартире
Заказные номера
Позволяет функционировать электродвигателю с заявленной номинальной мощностью, соответствующей паспорту.
Если сгорит два из трёх — вообще ни один не будет работать, поскольку они попарно подключаются на линейное напряжение. Без нулевого провода лампы можно соединять звездой при условии, что их мощность одинакова, и распределяется равномерно между фазами.
Контакты БКМ обеспечивают самоподхват силовых контактов и удерживают их во включенном положении.
Выполненное в таком виде электрооборудование, для своего подключения не требует грамотных специалистов
Особое внимание следует обратить на трех фазные двигатели западноевропейского образца, так как они предназначены для работы от напряжения в или вольт. Например, начало вывода 1 находится напротив конца 1
А это более наглядная картинка: Как правило, используется два конденсатора или два набора конденсаторов , которые условно называются пусковые и рабочие.
Использовать частотный преобразователь, который преобразует одну фазу вольт в три фазы вольт в этой статье мы рассматривать такой метод не будем Использовать конденсаторы этот метод мы и рассмотрим более подробно
Важно А вот такая картина будет, если мы перепутаем начало и конец одной из обмоток, а точнее не начало и конец, а направление обмотки. А вот к началам обмоток необходимо подать напряжение, то есть, соединить их с проводами трех фаз
На схемах обычно концы обмотки нумеруются с лева на право. Именно за счёт этого и появляется возможность использовать для одного двигателя сразу два напряжения.
Для того, чтобы подключить такой электродвигатель к отечественным сетям, необходимо использовать только подключение по типу треугольник. Эти условия являются взаимоисключающими, поскольку для подключения к однофазной сети В номинальное напряжение обмотки двигателя должно составлять те же самые В. Существуют электромоторы, которые изначально не рассчитаны на возможность подключения в бытовую сеть.
Различные производители изготавливают реле пуска, необходимое для запуска электродвигателя. При рассмотрении генераторов, схемы — звезда и треугольник по параметрам аналогичны при функционировании электродвигателей
Важно А вот такая картина будет, если мы перепутаем начало и конец одной из обмоток, а точнее не начало и конец, а направление обмотки. Контакт Q1 мотор-автомата служит для защиты от перегрузки двигателя.
Как работает пусковой переключатель со звезды на треугольник
Сравнения схем подключения между собой
Чтобы сравнить обе схемы между собой, надо посчитать электрическую мощность, развиваемую электродвигателем при том или ином включении. Для этого надо рассмотреть понятия линейного (Iлин) и фазного (Iфаз) токов. Фазным током называется ток, протекающий по обмотке фазы. Линейный ток протекает по проводнику, подключенному к выводу обмотки.
В сетях до 1000 вольт источником электричества является трансформатор, вторичная обмотка которого включена «звездой» (в противном случае невозможно организовать нулевой провод) или генератор, обмотки которого соединены по той же схеме.
Из рисунка видно, что при соединении «звездой» токи в проводниках и токи в обмотках электродвигателя равны. Ток в фазе определяется фазным напряжением:
где Z – сопротивление обмотки одной фазы, их можно принять равными. Можно записать, что
Для соединения «треугольником» токи другие – они определяются линейными напряжениями, приложенными к сопротивлению Z:
Следовательно, для данного случая .
Теперь можно сравнить полную мощность (), потребляемую электродвигателями с разной схемой.
- для соединения «звездой» полная мощность равна ;
- для соединения «треугольником» полная мощность равна .
Таким образом, при включении «звездой» электродвигатель развивает мощность в три раза ниже, чем при соединении в треугольник. Это также ведет к другим положительным последствиям:
- уменьшаются пусковые токи;
- работа двигателя и его пуск становятся более плавными;
- электромотор хорошо справляется с кратковременными перегрузками;
- тепловой режим асинхронного двигателя становится более щадящим.
Обратная сторона медали – двигатель с обмотками «звездой» не может развивать максимальную мощность. В некоторых случаях вращающего момента может не хватить даже для раскрутки ротора.
Подключение двигателя «звездой» и «треугольником» в сетях с разным номинальным напряжением
В соответствии с номинальным питающим напряжением асинхронные трехфазные двигатели отечественного производства подразделены на две категории: для работы от сетей 220/127 В и 380/220 В. Двигатели, рассчитанные на работу от сети 220/127 В имеют небольшую мощность — на сегодняшний день их применение сильно ограничено.
Электромоторы, рассчитанные на номинальное напряжение 380/220 В распространены повсеместно. Независимо от номинального напряжения при установке мотора используется правило: более низкие значения напряжения используются при подключении в «треугольник», высокие – исключительно в соединениях статорных обмоток по схеме «звезда». То есть, напряжение в 220 В подается на «треугольник», 380 В – на «звезду», в противном случае мотор быстро перегорит.
Основные технические характеристики агрегата, включая рекомендованную схему подключения и возможность ее изменения отображаются на бирке мотора и его техническом паспорте. Наличие метки вида Δ/Y указывает на возможность соединения обмоток и «звездой», и «треугольником». Чтобы минимизировать потери мощности, неизбежные при работе от однофазных бытовых сетей, мотор такого типа лучше подключать «треугольником».
Определить функциональные особенности множества радиокомпонентов можно по их цветовой маркировке. Это связано с мелкими габаритами этих деталей. Именно по цветной маркировке резисторов можно прочитать их номиналы, сопротивление, допуски и др.
Безопасность домашней электросети достигается установкой разных устройств защиты. Узнать всё об одном из таких приспособлений — УЗО, поможет полезная статья.
Знаком Y обозначают двигатели, где возможность подключения в «треугольник» не предусмотрена. В распределительной коробке таких моделей вместо 6 контактов находятся только три, соединение трех других выполнено под корпусом.
Подключение трехфазных асинхронных двигателей с номинальным питающим напряжением 220/127 В к стандартным однофазным сетям выполняют только по типу «звезды». Подключение агрегата, рассчитанного на низкое питающее напряжение в «треугольник» быстро приведет его в негодность.
Подключение звездой
Соединение звездой заключается в том, что концы всех 3 обмоток воссоединяются в общую точку под названием нейтраль. Если в наличии имеется нейтральный провод, то такая схема считается четырехпроводной, при его отсутствии — она трехпроводная.
Начало у выводов закрепляется к определенным фазам сети питания. Напряжение, которое приложено к этим фазам, равняется 380 вольтам или 660 вольтам. К основным плюсам такой схемы следует отнести:
- Безостановочная работа двигателя на протяжении длительного времени и с устойчивостью.
- Благодаря понижению мощности оборудования повышаются надежность и время эксплуатации для схемы звезда.
- Пуск привода электрического типа благодаря такому соединению обладает повышенной плавностью.
- Есть возможность для влияния на параметры кратковременной перегрузкой.
- При работе корпус у оборудования не станет доступен для перегрева.
Делаем выводы
Почему соединения треугольником и звездой сегодня присутствуют во всех современных мощных электродвигателях? Из всего вышесказанного становится понятным, что основное требование ситуации – это снизить токовую нагрузку, которая возникает в процессе пуска самого агрегата.
Если расписать формулы такого подключения, то они будут выглядеть вот так:
Uф=Uл/1,73=380/1,73=220, где Uф – напряжение на фазах, Uл – на питающей линии. Это соединение звездой.
После того, как электрический агрегат разгонится, то есть, скорость его вращения станет соответствовать паспортным данным, произойдет переход на треугольник со звезды. Отсюда фазное напряжение станет равным линейному.






























