Употребление слова нуль
Изначально, еще в эпоху правления Петра I, в русском языке появилась лексема нуль. Это слово, согласно разным источникам, было заимствовано из немецкого языка – Null, либо из голландского – nul. Похожее слово встречается и в итальянском – nulla, и в шведском языке – noll. Корень же следует искать в латыни – слово-прообраз nullius переводится как «ничтожный, ни один, никакой».
Однако традиции письменной речи XVIII века еще позволяли обозначать число нуль словом оном (онъ — это название буквы О в старославянском алфавите, и оно выбрано для этого случая из-за сходства данной буквы и числа 0).
Но уже с 1847 года в словарях появляются понятия нуль и ноль, причем указано, что значение у них одно.
Нуль — более старое, и, на сегодняшний момент, даже несколько архаичное понятие. Оно может придавать предложению налет староречного стиля.
Чаще всего оно используется в косвенных падежах – родительном, дательном, творительном и предложном. Также во множественном числе – однако, это не строгое правило. Если вместо нули вы напишете ноли, едва ли кто-то сочтет это ошибкой. Форма слова с буквой У встречается и в некоторых устойчивых словосочетаниях:
- равняться нулю;
- круглый нуль;
- на нуле (температура воздуха);
- на нуле кто-нибудь или что-нибудь (бензин на нуле);
- нулевые годы;
- нулевое окончание;
- начать/начинать с нуля;
- сводить(ся)/свести(сь) к нулю;
- довести/доводить до нуля.
Кроме того, это слово может употребляться в переносном значении, а также добавлять в речь оттенки сильных эмоций:
- «Да он просто нуль без палочки!»
- «С деньгами у нас полный нуль!».
Нередко именно эта форма числительного используется в научной литературе.
Примеры предложений
- По прогнозу сегодня будет около двадцати градусов ниже нуля.
- Таким отношением ты сводишь к нулю все мои старания.
- В этом коллективе не специалисты, а сплошные нули.
- Запасы провизии на нуле, а потому нам срочно нужно отправить водителя за продуктами.
- В этом квартале нам удалось досрочно погасить долги и довести баланс до нуля.
Употребление слова ноль
Слово ноль считается нейтральным в плане стилистики вариантом. В современном русском языке оно выглядит более привычно и не останавливает на себе взгляда, в отличие от второго варианта написания – нуль.
Чаще всего именно ноль мы пишем в именительном и винительном падежах: ноль рублей. Вообще, если буква О в этом слове стоит под ударением, то более благозвучным будет именно слово ноль.
Также именно этот вариант чаще звучит, когда речь идет о чем-то, что можно подвергнуть исчислению:
В устойчивых словосочетаниях: ноль внимания, ноль без палочки, абсолютный ноль (термин из области математики).
Как видно, обе лексемы, о которых идет речь, в различных крылатых выражениях по большей мере закреплены избирательно.
Происхождение слов «ноль» и «нуль»
Оба слова и «нуль», и «ноль» пришли к нам с Запада. Так, слово нуль явно позаимствовано из латинского языка – nullus- в переводе значит: ничто, пустота, нечто несуществующее. Это слово известно в русском языке еще с Петровских времен, то есть с начала 18 века. А во Французском языке есть два слова, обозначающие это понятие- общеизвестно слово zero, но есть и слово nul.
Считается, что слово «нуль» более старое, а в современном звучании употребляется слово «ноль». Кстати, это слово также имеет западные корни, в шведском языке есть слово noll.
Одна из гипотез гласит, что и нуль, и ноль – полные синонимы, которые произошли от немецкого слова null.
Абсолютное большинство словарей считают, что эти слова полностью равноправны, и только словарь трудностей русского языка говорит, что нуль- устаревшая форма, а ноль- современная, которую и употребляют в настоящее время.
Происхождение слов
Слово «нуль» впервые появилось в русском языке в Петровскую эпоху, когда было распространено заимствование различных слов и выражений с Запада. Термин представлял собой сочетание голландского «nul» и немецкого «Null», преобразованного на русский манер.
«Ноль», тоже употреблявшийся в некоторых случаях и зафиксированный в словарях примерно в то же время, что и «нуль», возможно, также появился благодаря или шведскому «noll», или немецкому «Noll». Интересно, что в толковом словаре В.И. Даля можно найти словарную статью, раскрывающую понятие «нуль», в которой возможным вариантом употребления указан и «ноль».

Слово «нуль» в определенном контексте постепенно исчезает из русского языка, и чаще всего правило его употребления отсылает нас к устойчивым выражениям и использованию косвенных падежей:
- нулевой;
- остричь под нуль;
- свести к нулю;
- нулевые годы;
- показатель на нуле;
- начинать все с нуля.

«Ноль» или «нуль»: что выбрать?

Прежде, чем ответить на вынесенный в заголовок вопрос, обратимся к этимологии и истории слова ноль (нуль): история его длительна, интересна и в некоторых деталях еще не выяснена до конца.
Предполагается, что понятие нуля в математике первыми ввели индийцы, возможно, еще до начала нашей эры. Индийская система числовых знаков сложилась на основе счетной доски. На ней перегородками отделялись друг от друга разряды чисел: единицы, десятки, сотни, тысячи. При записи чисел цифры располагались столбиками в определенном порядке в соответствии с разрядами. Единицы записывались под единицами, десятки под десятками и т. д. Если какой-либо разряд в записываемом числе отсутствовал, на его месте оставляли пробел, называемый словом sunia ‘пустота’. Впоследствии стали применять знак в виде точки или маленькой окружности.
Индийский термин sunia переняли арабы и перевели на свой язык с помощью слова ṣifr ‘пустой’ (с этим словом связаны русские цифра, шифр).
Далее арабское ṣifr было переведено на латинский: nullus numerus ‘никакое число’. Как видим, здесь уже появляется созвучие с нашим современным словом нуль.
В среднелатинском языке словосочетание nullus numerus сократилось до nullus ‘никакой’ (от ne- ‘ни’ и ullus ‘какой-нибудь’). От него произошло итальянское nulla, заимствованное далее в некоторые другие европейские языки. В частности, из итальянского оно попало в немецкий (Null ‘ноль, нуль, цифра, обозначающая отсутствие величины’), затем в нидерландский (слово nul с тем же значением) и шведский (noll). Русский язык заимствовал этот математический термин во второй половине XVII века в форме нуль, скорее всего, из немецкого языка (по иной версии — из голландского). В начале XVIII века данное слово употреблялось в русских письменных источниках в разных вариантах: не только нуль, но и — иногда — нулль, нул, нулл.
Почти в одно время с нулем в русском языке появилась и форма ноль. По всей видимости, она является заимствованием из шведского (noll). С этим не все согласны: так, М. Фасмер предполагал, что заимствование в данном случае произошло также из немецкого и отражает особое произношение немецкого краткого в слове Null.
В XVII–XVIII вв. в русских книгах по математике знак нуля называли по-разному:
- оник или он (самые древние обозначения, по названию похожей буквы азбуки);
- цифра (наиболее распространенный термин в XVIII в.);
- нуль.
Последний вариант в русскую математическую научную литературу был введен В. Киприяновым. Затем это слово вошло в оборот естественных наук: географии, физики, астрономии и др. Слова оник и цифра в значении ‘ноль’ окончательно были вытеснены термином нуль к концу XVIII столетия.
Особенности
На самом деле эти слова не являются синонимами. Они не взаимозаменяемы, но равноправны. Эти факторы и формируют основные сходства и различия между ними. Один из вариантов может использоваться только в конкретных случаях, так же и с другим. Это будет возможно проследить на примерах рассматриваемых ниже.

Ещё одна интересная особенность — падежные формы этих слов. Так, слово «ноль» употребляется в именительном и винительном падежах, иные варианты будут неверными, нельзя прибавлять окончания, например сказать: «около ноля». С «нулем» всё иначе, он изменяется по всем падежам без исключения, например: начать с нуля, прибавить к нулю, не равен нулю, около нуля, на нуле, стать нулём и др. Также существуют производные: нулевой, нуллификация, обнуление. Примеры предложений с производными:
- Нулевой меридиан так же называют лондонским, ведь он проходит ровно через столицу Великобритании.
- Процесс аннулирования обесценившихся бумажных денег государством и есть нуллификация.
- По некоторым причинам, в банке произошло обнуление всех счетов.
Опираясь на примеры выше, можно сделать вывод о том, что «нуль» более гибкое, в плане использования в речи и образования новых форм, слово. «Ноль» чаще встречается в устойчивых словосочетаниях.

Свойства нулевого числа
Нуль — особенное число в математике. Оно имеет ряд уникальных свойств и важных особенностей. Рассмотрим некоторые из них:
- Нуль является нейтральным элементом для сложения. Это означает, что при сложении любого числа с нулем результат остается неизменным. Например, 0 + 5 = 5.
- Нуль умноженный на любое число равен нулю. Это свойство нулевого числа можно записать как 0 * a = 0, где а — любое число. Например, 0 * 7 = 0.
- Нуль является идентификатором для операции умножения. Это означает, что если число умножить на единицу, то результат будет равен самому числу. Например, 7 * 1 = 7.
- Нуль не имеет обратного числа относительно умножения. Это означает, что нельзя найти число, умноженное на ноль, чтобы получить единицу. Например, нет числа x, такого что 0 * x = 1.
Свойства нулевого числа широко применяются в математических операциях и различных областях науки. Они помогают упростить вычисления и установить важные закономерности чисел и операций.
История Зеро

Понятие нуля имеет долгую историю, уходящую корнями в древнюю Индию. Впервые он был разработан индийскими математиками около 500 г. до н.э., и санскритское слово «сунья» считается самым ранним предшественником нуля. Это слово означает «ничто» или «пустота». К шестому веку нашей эры индийские математики использовали точку для обозначения нуля. Этот символ со временем распространился на другие цивилизации, такие как Китай и Египет.
Использование нуля в качестве заполнителя началось в Индии в 8 веке нашей эры. Цифры-заполнители используются при написании больших чисел, чтобы их было легче читать. Современная индийско-арабская система счисления также использует заполнители для десятичных знаков и дробей, что позволяет пользователям точно представлять любое записанное число.
К 13 веку нашей эры европейцы переняли многие аспекты индийско-арабских цифр в свои собственные системы счисления, включая концепцию цифры-заполнителя для нуля, что позволило им выполнять сложные математические вычисления, не прибегая к римским цифрам или греческим. буквы типа «альфа» и «омега». Сегодня и индусы, и арабы приняли использование нуля в своих системах счисления, что сделало его неотъемлемой частью современной математики во всем мире.
Ноль или нуль: возможны оба варианта
Теперь мы знаем, что правильность выбора «ноль» или «нуль» зависит от контекста фразы и от эпохи. Если вы пишете исторический роман, логично будет использовать «нуль», если речь идет о математическом примере — «ноль». Возможно, однажды «нуль» покинет русский язык, как и многие слова, которые устарели и ушли из языка за ненадобностью.
Какое из этих слов «важнее» в языке — неправильная постановка вопроса. Они совершенно равноправны и пока оба употребляются в тех или иных ситуациях. В свободном употреблении, в обычной разговорной речи, ошибиться не так страшно. Кроме того, иногда это придает фразе экспрессии и окрашивает нужными эмоциями.
Что такое null
В отличие от undefined, когда компьютер не знает, что лежит в переменной, null — это как раз одно из значений переменной. Оно означает, что переменная — пустая, при этом компьютер точно знает, как с ней можно работать.
Допустим, мы хотим обратиться к элементу на странице по его id. Для этого мы сначала заводим переменную element, и на старте она будет определяться как undefined. После этого мы присваиваем этой переменной ссылку на нужный элемент, но если этого элемента на странице нет, то произойдёт такое:
- Скрипт попытается найти элемент на странице.
- После того как он убедится, что элемента нет, он вернёт null — это значит, что на странице ничего такого нет.
- Это значение null отправится в переменную element, и у неё появится определённое значение null.
Если вспомнить наш мешок во время уборки:
— undefined — это когда вы ничего не знаете про мешок — даже то, есть ли этот мешок в принципе или его нужно пойти и где-то купить;
— null — это когда вы знаете, что мешок есть, он определённого размера и формы, но он точно пустой и даже ещё не раскрытый;

В некоторых языках, например Python, вместо null используют None — это тоже значение переменной, которое означает, что в переменной ничего нет, но сама переменная определена верно.
Употребление слова ноль
Слово ноль считается нейтральным в плане стилистики вариантом. В современном русском языке оно выглядит более привычно и не останавливает на себе взгляда, в отличие от второго варианта написания – нуль.
Чаще всего именно ноль мы пишем в именительном и винительном падежах: ноль рублей. Вообще, если буква О в этом слове стоит под ударением, то более благозвучным будет именно слово ноль.
Также именно этот вариант чаще звучит, когда речь идет о чем-то, что можно подвергнуть исчислению:
- Ноль яблок в пакете;
- Ноль градусов за окном;
- Счет ноль-один;
- Ноль часов десять минут.
В устойчивых словосочетаниях: ноль внимания, ноль без палочки, абсолютный ноль (термин из области математики).
Как видно, обе лексемы, о которых идет речь, в различных крылатых выражениях по большей мере закреплены избирательно.
Примеры предложений
- Команда наших земляков обыграла гостей турнира со счетом два-ноль.
- Сегодня на улице ноль градусов и кое-где подтаял снег.
- Он так старался ей понравиться, а она просто — ноль внимания.
- В результате вычислений мы получили ноль.
- В этой сфере, надо сказать, я полный ноль.
Ноль или нуль — как правильно?

В век интернета кажется, что нет никакой разницы, как писать — «ноль» или «нуль». Главное, чтобы суть текста была ясна. Но вы удивитесь, если узнаете, что «ноль» и «нуль» — это разные слова. Иногда мы слышим: «моя бабушка в деревне говорила нуль» — «это неправильно! Надо говорить — ноль». Верно ли это? Ноль или нуль — вот в чем вопрос.
Если мы заглянем в толковый словарь, который стоит на полке у нас дома, то увидим следующие определения, как для слова «ноль», так и для слова «нуль»:
Сейчас решение «ноль» или «нуль» принимается в зависимости от ситуации, мы постараемся рассказать, как не ошибиться в употреблении этих похожих по звучанию, но иногда непохожих по значению, слов.
Правильное использование
В технических сферах (физике, математике, информатике) более частым будет «нуль», а в гуманитарных — «ноль».
Проведем аналогию, наиболее яркий пример: абсолютный нуль (физика) — абсолютный ноль (о человеке). Из данной пары видно, что «нуль» и «ноль» имеют равноправные значения в обоих случаях(сходство), но замена одного другим — невозможна, так как области применения этих слов, тематика, совершенно различны, не взаимосвязаны(различие).
Общие примеры употребления: счёт ноль-ноль, температура ниже нуля, ноль эмоций, терпение на нуле, нуль-терминированная строка, ноль внимания, нуль функции, ноль без палочки, ноль часов и др.
Стоит отметить использование этой пары слов в математике, оно довольно специфично. В вычислениях могут использоваться оба варианта, например: к восьми прибавить ноль, ноль целых две десятых, вычесть из нуля целых пятнадцати сотых, на ноль делить нельзя и др. Так же существуют такие выражения: свести выражение к нулю, производить вычисления с нулем, приравнять к нулю.
В заключении вернемся к главному вопросу, который был поставлен в начале статьи. На первый взгляд, обычный и ничем не удивительный вопрос. Но он потребовал глубоко синтеза и анализа родного, великого языка.
Надеюсь вы нашли то, что искали, и эта статья оказалась полезной для вас. Учите и не забывайте родной русский язык. Удачи!
https://youtube.com/watch?v=zeUPwiAPn2wrel%3D0%26controls%3D0%26showinfo%3D0
Схема звезда, где присутствует нулевой проводник
Все переменные токи каждой фазы в трех одинаковых нагрузках сдвинуты по фазе ровно на одну треть и в идеале будут компенсировать друг друга. Именно поэтому нагрузка в подобной схеме в большинстве случаев будет называться трехфазной, сосредоточенной нагрузкой. При такой нагрузке векторная сумма токов в средней точке будет равна нулю.
Нулевой провод, который будет подключаться к средней точке практически не нужен, так как в дальнейшем ток через него проходить не будет. Иногда также может проявиться небольшой ток и появляться он будет только тогда, когда нагрузки на каждой фазе будут не полностью одинаковыми и они не полностью компенсируют друг друга. Если подобную ситуацию рассмотреть более детально, тогда можно понять, что виды трехфазных четырехжильных кабелей будут иметь нулевую жилу вдвое меньшего сечения.

Когда писать нуль
Слово «нуль» употребляется в устойчивых выражениях, которые говорят и те, кто при счете употребляет ноль.
Это, например, такие выражения:
- выражение равно нулю;
- стремится к нулю;
- начинать все с нуля;
- показатель нулевой;
- он стал полным нулем.
Вот в таких выражениях всегда используется нуль.
Как правильно ноль или нуль — ответить на этот вопрос однозначно сложно. И ноль, и нуль — это правильно. Но чаще всего используется слово «ноль». Однако, есть устойчивые выражения, в которых нужно писать только нуль.
Мы часто говорим ноль, наверное, потому что с развитием спорта стало очень удобно быстро сказать «счет ноль-ноль» или «счет ноль-один» и т.д.

В порядковом счете надо использовать слово «ноль», например:
0, 1, 2, 3, 4 и 5 — ноль, один, два, три, четыре, пять.
В алгебре, когда исследуются уравнения и графики, часто используется слово «нулю» в родительном, дательном, творительном и в предложном падежам. В именительном падеже слово нуль практически не используется. Как пишется ноль или нуль в русском языке — вы можете написать нуль и это не будет ошибкой, просто не современно. А можете написать ноль — и это не вызовет к вам никаких вопросов, а у проверяющего вашу письменную работу не возникнет такого эффекта, как «зацепиться взглядом». Кроме того, не все учителя знают, что слово нуль еще является правильным к написанию и к говорению и могут посчитать употребление этого слова, как ошибку.
Также и может случиться наоборот. Поинтересуйтесь у учителя, как он относится к вопросу «ноль или нуль», чтобы не получить неудовлетворительную оценку. Многие наши учителя учились в то время — когда на ноль говорили нуль и считают только написание «нуль» правильным и могут требовать это и от своих учеников. Тогда вы можете пойти такому учителю навстречу, ведь все равно написание «нуль» тоже является верным, просто слегка устаревшим. Но если вы напишете ноль в устойчивых выражениях вместо нуля, вы получите неудовлетворительную оценку вполне справедливо. Советуем вам, выучить эти выражения наизусть.
Происхождение слов «ноль» и «нуль»
Казалось бы, какая разница «ноль» или «нуль», можно и вообще цифрой написать, ведь лишь бы передать суть высказывания.
Но это два разные слова, и употреблять их нужно в соответствии с ситуацией.
Значение у слов одно, а оттенки разные.
Ноль — это самый низкий балл, отсутствие чего бы то ни было. Применяется как математический термин, так и описательное качество личности человека. Если человек мало что из себя представляет, то он «ноль», и даже «полный ноль».
«Нуль» появился в речи благодаря Петру Первому. В те времена числа начинались от единицы. Но математики Древней Руси стали использовать слово, которое обозначает «ничто». И это слово назвали «ноль», как заимствованное от шведов «noll».
Но тут из немецкого подоспело аналогичное словцо «null» с таким же значением.
Обе же эти иноязычные формы слова пришли из латинского «nullus» — «ничто».
Выходит, что немцы оказались правее, избрав форму с У в середине слова.
Но не обижать же нам шведского «ноля», стали и его использовать.
И, о, чудо! Шведская форма начала выигрывать позиции. Слово «нуль» было признано устаревшим, и даже каким-то вычурным. Хотя в некоторых фразах именно ему только и место.
Определение нулевого числа
Нулевое число — это число, которое обозначает отсутствие или отсутствие количества. В математике ноль является особенным числом и имеет свои уникальные свойства.
Основное свойство нуля заключается в том, что любое число, умноженное на ноль, равно нулю:
| Свойство | Пример |
|---|---|
| Умножение на ноль | 0 × 5 = 0 |
Также нулевое число является нейтральным элементом по сложению. Это означает, что при сложении любого числа с нулём результат будет равен этому числу:
| Свойство | Пример |
|---|---|
| Нейтральный элемент по сложению | 3 + 0 = 3 |
Ноль также является нейтральным элементом по умножению для большинства чисел. Однако, существуют исключения, например деление на ноль не является определённым и может привести к математической ошибке или неопределённости.
А что такое ноль?
А ноль — это самая «жирная» пустота из всех вышеперечисленных. Ноль — это полноценное значение численной переменной (например, integer, то есть целого числа).
Представьте, что вы пишете программу, которая обрабатывает прогнозы погоды. Эти данные она получает с погодного сервера. И с этого сервера прилетала переменная temperature. Сравните:
Если temperature === undefined, то, похоже, с сервера не прилетело никакой переменной с температурой. Программа завела переменную для приёма данных, но дальше ничего не произошло. Мы даже не знаем, какого типа данные нам прилетят. А то и вовсе нет никакой переменной.
Если temperature === null, то мы знаем, в каком формате прилетит температура, но сами данные ещё не прилетели.
Если temperature === 0, то температура — ноль градусов (предположим, по Цельсию). Ноль градусов — это вполне себе значение, с которым можно работать — например нарисовать снежинку.
Возвращаясь к метафоре с мешком: ноль — это когда нам объяснили, какой именно нужен мешок, мы его взяли и запихнули в него ноль, который занял всё место. Зачем? Видимо, так надо.
Текст:
Михаил Полянин
Редактор:
Максим Ильяхов
Художник:
Даня Берковский
Корректор:
Ирина Михеева
Вёрстка:
Кирилл Климентьев
Соцсети:
Виталий Вебер
Предназначение «Ноля» и «Земли»

Цвета и маркировка проводов и кабелей
Для успешной работы каких-либо электроприборов требуется замкнутый контур электросети. Замыкание сети – основная роль «Ноля». Разность потенциала уходит через него.
Заземление же используется в качестве защитных мероприятий, устраняющих риск поражением тока людей и животных, а также для исключения, смягчения скачков напряжения, которые могут вывести из строя бытовые электроприборы.
Заземляют практически все электроприборы, это делается посредством подключения Земли к их корпусам на случай пробоя электропроводки, при которой они окажутся под натряжением.
Схема TT

Исправная схема Подключен потребитель, электропроводка исправна (пробоев нет), корпус заземлён на отдельную линию
На рисунке выше показано подключение при полном заземлении. Т.е. Земля выделена в отдельную, автономную сеть. Данное подключение наиболее безопасно.
В случае пробоя, на корпусе прибора возникает электрический потенциал, который будет равен входящему напряжению, т.е. 220 В – это опасно для жизни. Однако корпус заземлен, и попавшее на него напряжение уйдет в землю.

Заземление на выделенную линию сработало — напряжения на корпусе нет
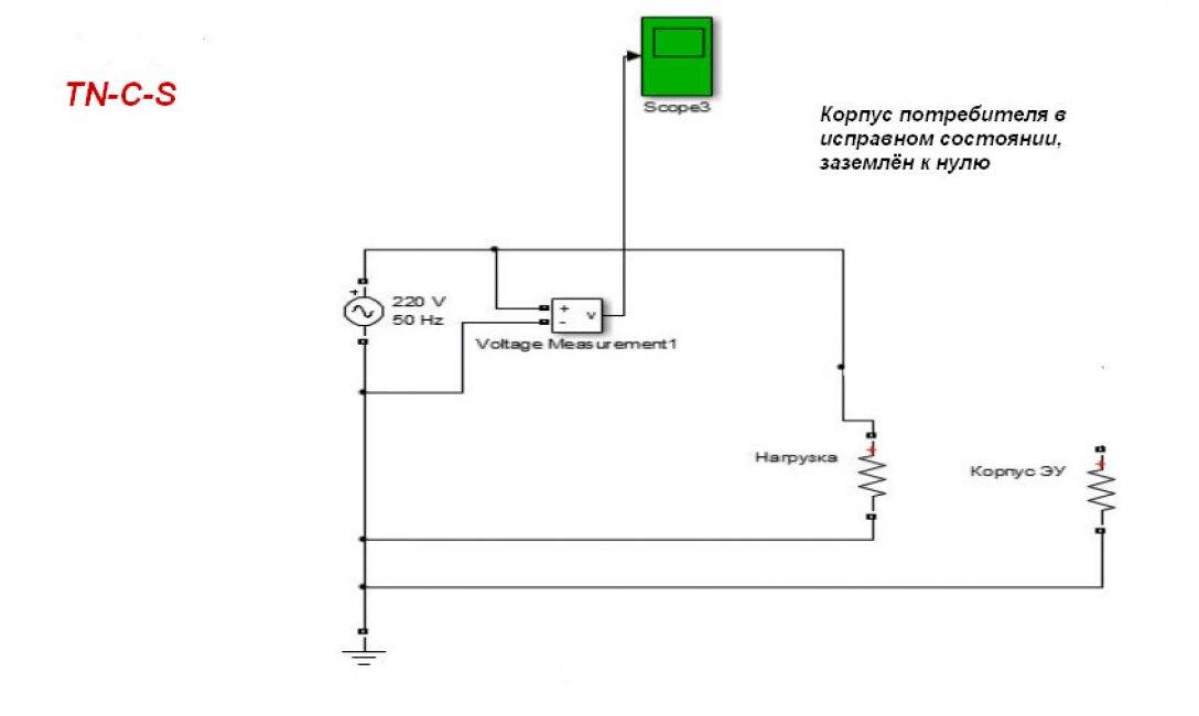
Схема TN-C-S
Схема TN-C-S для заземления использует линию Ноль, как это показано на рисунке ниже. В данном случае на корпусе потребителя напряжения нет.

Схема исправна, пробоя на корпус потребителя нет
При появлении нагрузки на корпусе, она отводится в линую, используемую в качестве нейтрали. Способ действенный, и хоть является устаревшим используется до сих пор.

Поражения током не будет
Принципы планировки дачного участка: примеры для 5-6, 8-10, 12 и 15 соток, планировка холмистых участков, ориентация по сторонам света (75 Фото & Видео) +Отзывы
Как правильно писать
В научной и профессиональной терминологии слово «нуль» встречается намного чаще. Это обусловлено тем, что оно ближе к изначальному латинскому написанию nullus, поэтому удобнее для ученых и исследователей. В Большом Энциклопедическом словаре, например, «нуль» даже обозначается как единственный верный вариант.
Как правило, выбор падает на «ноль» при его соседстве со словами в единственном числе или употреблении в качестве математического термина или наименования числа. При выборе между словами «ноль» и «нуль» предпочтение обычно отдается первому, однако всегда стоит учитывать контекст, в котором вы собираетесь употребить спорное слово.
Несмотря на то что существование устойчивых выражений подсказывает выбрать «у» вместо «о», аналогичные фразы со словом «ноль» также активно используются носителями языка:
- стричься под ноль;
- ноль внимания;
- ноль без палочки;
- ноль-ноль (о счете в игре или времени на часах).

Язык – это живой и постоянно меняющийся организм. Некоторые слова уходят из него полностью, а на замену им приходят новые нормы употребления. Вероятно, в скором времени со словом «нуль» может произойти то же, что и когда-то с «нумером», полностью замененным на привычный нам сейчас «номер».
Не всегда даже профессионалы могут дать четкий ответ о правильности использования того или иного выражения, потому что чаще лингвистические нормы не успевают закрепляться из-за стремительно меняющейся окружающей действительности. Понимание необходимости использования новых выражений приходит к говорящим на русском языке практически интуитивно и не требует подтверждений экспертов.
Получается, несмотря на различие в происхождении и употреблении, на смысл, который изначально отличал «ноль» и «нуль», нельзя дать точного ответа на вопрос, как правильно говорить и писать это слово. А какой вариант нравится лично вам?
Оцените автора материала. Статью уже оценили 1 чел.
Как пишется правильно «нуль» или «ноль»?
Прежде чем выяснить это, определим, что это слово имеет латинское происхождение. Латинское слово nulius буквально значит «никакой». В русском языке эта лексема имеет несколько значений:
Как же правильно говорить:
Согласно словарям в русском языке слова «ноль» и «нуль» являются абсолютно равноправными в обозначении величины и характеристики знаний и умений человека в какой-то области.
Аналогично следует писать производные слова:
Отметим, что если разговор идет о величине чего-либо исчисляемого, то чаще употребляется слово «ноль»:
В устойчивых словосочетаниях отмечается избирательное употребление этих слов и их закрепленность в зависимости от смысла оборота. Проследим, как варианты анализируемого слова употребляются в устойчивых словосочетаниях русского языка:
На наш взгляд, слово «нуль» чаще фигурирует в переносном значении.
«Ноль» или «нуль»: что будем выбирать?
Если наша цель не сводится к иронии, то использовать слово, стремящееся к устареванию, не будем.
Ведь не называем же мы золото «златом», только если пошутить. Да и товарища «сударем» вряд ли назовём. Подобные пары слово тоже когда-то конкурировали друг с другом, как «ноль» и «нуль». Но победил сильнейший, так же будет и с нО/Улём.
Однако если мы любим изъясняться разными идиомами (устойчивыми фразеологизмами), где строгая и неизменная структура выражения, то там «нулю» (как будущему архаизму) самое место.
Всегда будут в ходу такие фразы, как:
равен нулю (свести к нулю, начать с нуля);
какой-либо показатель на нуле (настроение, внимание, температура и т.п.).
Что смотреть и читать о ноле?
Чтобы узнать больше о ноле как об одном из самых загадочных явлений математики, а также об истории его «открытия», вы можете обратиться к следующим ресурсам:
1. Numberphile. Это популярнейший в среде любителей математики Youtube-канал, у которого уже более чем 1,5 миллиона подписчиков. Есть видео и о ноле в переводе на русский.
2. Книга Чарльза Сейфе «Ноль. Биография опасной идеи». Автор, хоть и не без излишнего сгущения красок, рассказывает об истории ноля как числа и цифры — причем в обширном контексте истории науки, от Архимеда до теории струн. В качестве бонуса вы получите приложения с задачками, где используется ноль. Например, вам предложат доказать, что Уинстон Черчилль был морковкой, и построить машину времени из кротовой дыры.
3. Сборник эссе, в которых фантаст Айзек Азимов рассказывает о том, как человек, переходя от счёта на пальцах ко всё более сложным вычислениям, разработал основные математические операции, а также о том, как числа связаны с нашим восприятием времени и пространства. Природе ноля и его парадоксам посвящена открывающая книгу статья “Nothing Counts”.
Также интересно: История чисел: что значили числа в глубокой древности
Даже если вам не нравились в школе ни арифметика, ни алгебра, у вас всегда есть возможность ими заинтересоваться. Учить математику с нуля уже не получится — худо-бедно мы начали считать ещё дошколятами. А вот полюбить её с нуля — вполне реальная перспектива.опубликовано econet.ru
Когда пишется «нуль»
Слово «нуль» уже давно начало сдавать свои позиции и постепенно устаревало. В современной речи оно кажется вычурным и используется, чтобы подчеркнуть значимость слова, сделать его более экспрессивным. Органично оно смотрится примерно в таких текстах:
- «У нас денег нет! Нуль!».
- «Кто из нас готов выступить добровольцем? Нет таких. Нуль!».
Но, если хорошо подумать, «нуль» мы и так употребляем достаточно часто:
- «Настроение на нуле».
- «Мы постарались свести к нулю все неприятные моменты».
- «Нам пришлось начинать все с нуля на новом месте».
Поэтому слово «нуль» можно назвать устаревшим лишь в определенном контексте. Мы до сих пор употребляем его в некоторых устойчивых выражениях, и это — не грамматическая ошибка.
Язык — живой организм, который постоянно развивается. Какие-то слова уходят из оборота, какие-то приходят. Не всегда лингвистические нормы успевают подкрепляться правилами. Иногда на помощь людям приходит то, что называют «лингвистическим чутьем». Количество чтения нередко переходит в качество письма. Есть те, кто всегда употребляет «нуль» правильно, потому что «С вас нуль рублей и три копейки» — неблагозвучное предложение.
Употребление слова нуль
Изначально, еще в эпоху правления Петра I, в русском языке появилась лексема нуль. Это слово, согласно разным источникам, было заимствовано из немецкого языка – Null, либо из голландского – nul. Похожее слово встречается и в итальянском – nulla, и в шведском языке – noll. Корень же следует искать в латыни – слово-прообраз nullius переводится как «ничтожный, ни один, никакой».
Однако традиции письменной речи XVIII века еще позволяли обозначать число нуль словом оном (онъ — это название буквы О в старославянском алфавите, и оно выбрано для этого случая из-за сходства данной буквы и числа 0).
Но уже с 1847 года в словарях появляются понятия нуль и ноль, причем указано, что значение у них одно.
Нуль — более старое, и, на сегодняшний момент, даже несколько архаичное понятие. Оно может придавать предложению налет староречного стиля.
Чаще всего оно используется в косвенных падежах – родительном, дательном, творительном и предложном. Также во множественном числе – однако, это не строгое правило. Если вместо нули вы напишете ноли, едва ли кто-то сочтет это ошибкой. Форма слова с буквой У встречается и в некоторых устойчивых словосочетаниях:
Кроме того, это слово может употребляться в переносном значении, а также добавлять в речь оттенки сильных эмоций:
Нередко именно эта форма числительного используется в научной литературе.
Какое правило применяется
Если возникают сомнения при написании «ноль» или «нуль», стоит поднять словарь Ушакова. В нем оба слова имеют одинаковое определение:
Многие лингвисты не видят разницы между вариантами «с нуля» или «с ноля». Они считают, что оба значения равнозначны. Слово с «у» постепенно устаревает и применяется реже. Появляется ощущение недопустимости использования формулировки в определенных контекстах. Но в случае применения других форм ситуация меняется. Так, при выборе между «по нулям» или «по нулям», предпочтение отдается второму способу написания.
Слово «ноль» является основной формы, а «нуль» применяется в редких случаях. В словах, когда ударение попадает на другую гласную, применяется только «у». Это объясняется невозможностью замены «о» на «а» при изменении формы слова.
Заключение
Интересно, что в русском языке есть и другие существительные, которые имеют вариативность гласных У и О. Например, «нумер» и «номер» (от латинского numerus). Сегодня первый вариант считается устаревшим, сохраняясь только в составе двух слов — «нумерация» и «нумерология». Также абсолютно синонимичны слова «тоннель» и «туннель».
Язык народа непрерывно развивается и претерпевает изменения. Некоторые слова со временем устаревают и уходят из употребления, и на их место приходят новые. Бывает, что конкретного правила для нормативного написания в данный момент не существует – просто верно пишется так, вот и все.
В этом случае очень выручают такие качества, как начитанность и насмотренность. Чтение помогает формировать навык грамотного письма, потому что развивает орфографическое чутье.
Заключение

Автомат защитный
Какой бы безопасной схема подключения не была, но использовать автоматы и ИЗО необходимо. Они позволяют обесточить сеть даже при кратковременном скачке напряжения, который может быть весьма опасен не только для Вашей электроники и других бытовых приборов, но и для жизни Вас и Ваших питомцев.
Зануление и заземление,что лучше,можно ли использовать
Отличие нуля от земли в чем принципиальная разница? Схемы соединений и их применение | (Фото и Видео)
Зануление и заземление,что лучше,можно ли использовать
Зануление и заземление. В чем разница между ними?
7.7 Общий балл
Отличие нуля от земли в чем принципиальное отличие?
Помогла ли Вам наша статья?
10
Рейтинг пользователей: 2.67 (3 Голоса)
























