Работа тока
Сразу введем новое определение.
В процессе этой работы энергия электрического тока переходит в другие различные виды энергии (механическую, внутреннюю и др.). Более подробно мы говорили об этом, когда рассматривали действия тока.
От чего зависит работа тока?
Логично предположить, что работа тока будет зависеть от того, какой заряд протекает по цепи за определенное время. То есть, работа тока будет зависеть от силы тока.
Проверим это на простом опыте. Соберем цепь, состоящую из ключа, источника тока, амперметра и подключенной к проводам натянутой никелевой проволоки (рисунок 1).
Используя один источник тока, в цепи была определенная сила тока. Проволока нагрелась.
Если же мы заменим источник тока, который даст нам большую силу тока, чем предыдущий, то заметим определенные изменения. Наша проволока нагревается намного сильнее. Вот вам наглядное доказательство того, что тепловое действие (а значит, и работа тока) проявляется сильнее с увеличением силы тока в цепи.
Но дело в том, что сила тока — не единственная характеристика, от которой зависит работа тока. Другая (и не менее важная) величина называется электрическим напряжением или просто напряжением.
Связь работы тока и напряжения
Проведенные нами опыты объясняются следующим.
При одинаковой силе тока работа тока на этих участках цепи при перемещении электрического заряда, равного 1 Кл, различна.
Получается, что эта работа тока и определяет нашу новую физическую величину — электрическое напряжение.
Теперь мы может объяснить до конца наши опыты. Напряжение, которое создается батарейкой в первой цепи, меньше напряжение городской осветительной сети. Поэтому лампа, подключенная к сети, дает больше света и тепла. При этом сила тока в обеих цепях одинакова. Вся причина различий — в создаваемом напряжении.
Электрическое напряжение: объяснение простыми словами
Электрическим напряжением обозначается физическая величина, равная разности потенциалов между двумя точками электрического поля при перемещении единичного заряда. Для простых пользователь такое обозначение не всегда понятно. Поэтому в этой статье мы попытаемся простым, доступным языком рассказать, что собой представляет электрическое напряжение, как оно измеряется и для чего это нужно.
Что такое разность потенциалов?
Для начала проанализируем рисунок:

В первой бутылке вода находится на уровне 300 мм, а во второй – на отметке 150 мм. Разница между уровнями воды в обоих емкостях составляет 150 мм. Если рассматривать это с точки зрения науки об электричестве, это и есть разность потенциалов.
Однако, что будет, если соединить обе бутылки шлангом, а внутрь поместить обычный пластиковый шарик?
Из школьного урока физики о принципе соединяющихся сосудах знаем, что из бутылки, где уровень воды больше, жидкость постепенно перетечет в бутылку с более низким уровнем. Под воздействием потока воды шарик внутри соединяющего шланга будет перемещаться. Процесс перетекания завершится после того, как в обоих бутылках уровень жидкости уравновесится, станет одинаковым.

Иными словами, в ситуации, когда в соединенных между собой емкостях уровень жидкости станет одинаковым, результатом разности потенциалов станет ноль. Шарик останется на месте за счет электродвижущей силы, которая, по итогам эксперимента, равна нулю.
Что такое электродвижущая сила?
Аналогично напряжению, единицей измерения электродвижущей силы (ЭДС) является Вольт.
Для проведения следующего эксперимента понадобится вольтметр (прибор, измеряющий вольты) и обычная батарейка.

При исходном замере прибор покажет 1.5 В (Вольта). Однако это не является напряжением – значение указывает на величину электродвижущей силы.
На следующем этапе эксперимента к батарейке подключаются две лампочки. А напряжение измеряется в разных участках электроцепи.

Внимание следует уделить следующим показателям: напряжение для одной лампочки составляет 1 Вольт, для другой же это значение 0.3 Вольта. Напряжение в используемых нами осветительных устройствах напрямую зависит от их мощности, измеряемой в Ваттах
Напряжение в используемых нами осветительных устройствах напрямую зависит от их мощности, измеряемой в Ваттах.
Мощность=Напряжение*ток (Р=U*I)
Из этого следует, что чем больше будет значение мощности лампы, тем большее напряжение будет на ней.
Однако, как же получается: если мощность батарейки 1.5 Вольта, к которой подключены лампочки, разделена на 1 Вольт и 0.3 Вольта, куда направились еще 0.2 Вольта? Дело в том, что каждая батарейка наделена своим внутренним сопротивлением, поэтому недостающие 0.2 Вольта были направлены именно сюда.
Резюме
Электродвижущей силой определена физическая величина, характеризующая в источниках тока работу сторонних силовых ресурсов. Посредством электродвижущей силы мы можем определять, как переносится заряд от источника тока по всей электрической цепи. Напряжение показывает этот процесс лишь на отдельном участке этой цепи. Если проще: напряжение – это внешнее силовое воздействие, способствующее перемещению шарика в шланге, соединяющим сосуды из выше приведенного примера. В электричестве напряжение обозначено силой, которая обеспечивает перемещение электронов между атомами.
Рассмотрим еще один пример
Представьте, что вам по силам будет поднять камень, вес которого составляет 40 кг. Это означает, что вы обладаете подъемной силой, равной 40 кг – в электричестве это обозначается как электродвижущая сила. Вы следуете и на своем пути вам попадается камень весом 20 кг. Вы его также берете и переносите на расстояние 10 метров. Для осуществления этого действия вам понадобилось определенное количество энергии, что в электричестве представляется как напряжение. Далее вам попадается камень весом в 30 кг. Следовательно, для его переноса из одного места в другое вам понадобится больше энергии, чем для камня, масса которого не превышала 20 кг. Однако подъемная сила (в электричестве ЭДС), независимо от веса переносимого вами камня, остается всегда одинаковой. При этом, вес камня определяет количество энергии, которая тратится на проведение этого действия (в электричестве это обозначено напряжением). Таким образом, на каждом отрезке вашего пути вы будете испытывать разное напряжение в зависимости от веса камня, который вы намерены перенести.
Использование силы тока и напряжения в повседневной жизни
Сила тока и напряжение – это понятия, которые широко используются в повседневной жизни, особенно в сфере электротехники и электроники. Оба этих понятия играют важную роль в передаче и использовании электроэнергии.
Сила тока – это физическая величина, которая показывает, сколько электричества протекает через проводник за определенное время. Сила тока измеряется в амперах (А) и обозначается буквой I. Сила тока может быть постоянной, когда электрический ток протекает одинаковым образом в течение времени, или переменной, когда ток меняет свое направление и величину через определенные промежутки времени.
Напряжение – это разность электрических потенциалов между двумя точками, которая определяет силу, с которой электроэнергия движется по проводнику. Напряжение измеряется в вольтах (В) и обозначается буквой U. Высокое напряжение означает большую энергию, а низкое напряжение – меньшую энергию.
В повседневной жизни использование силы тока и напряжения встречается повсюду.
Использование силы тока:
- Розетки и электрические проводки – сила тока позволяет электроэнергии передвигаться по проводам и питать наши бытовые приборы;
- Зарядные устройства – силу тока используют для зарядки мобильных телефонов, ноутбуков и других устройств;
- Электронные приборы – сила тока необходима для работы телевизоров, компьютеров, светильников и прочих электронных устройств;
- Электромобили – для движения электромобиля используется электрическая энергия и сила тока;
- Электрический шокер – высокая сила тока используется в устройствах самообороны.
Использование напряжения:
- Бытовая электроника – различные приборы используют разное напряжение, например, ноутбуки и смартфоны работают от низкого напряжения, а телевизоры и холодильники требуют более высокого напряжения;
- Лампы и освещение – напряжение определяет яркость света, когда мы включаем светильник;
- Трансформаторы – используются для изменения напряжения, например, в домашних электросетях;
- Аккумуляторы – напряжение определяет энергию, которую можно сохранить в аккумуляторе для питания портативных устройств.
В заключение, сила тока и напряжение играют важную роль в нашей повседневной жизни. Благодаря этим физическим величинам мы можем пользоваться электроэнергией, заряжать наши устройства, освещать помещения и многое другое.
Параметры домашней электрической сети
После выяснения того, что ток в розетке наших домов переменный, необходимо знать его главные параметры, которым относятся величина напряжения, и частота. Напряжение домашних электрических сетей составляет 220в. Весь мир пользуется электричеством с частотой 50 Герц, за исключением США, где этот параметр имеет значение 60 Гц.
По проводу фактических значений напряжения и частоты необходимо знать:
- Частота 50 Гц задается генерирующим устройством электростанции и всегда соответствует заданному значению.
- Напряжение в отдельно взятом доме или квартире может отличаться от номинального значения 220 В. На это могут оказывать влияние техническое состояние, величина и распределение нагрузки сети, питающей многоквартирный дом или жилой район, степень загруженности ее трансформаторной подстанции. Эти отклонения, могут быть весьма значительными и достигать 20-25 Вольт. В этом случае целесообразно подключение домашней электросети производить через стабилизатор напряжения.
Ток, сила тока в цепи.
Проанализируем, что будет происходить если под действие электрического поля попадут заряженные частицы, например, электроны. Рассмотрим проводник, к которому приложено определенное напряжение:

Из направления напряженности электрического поля (E) мы можем сделать вывод о том, что \phi_1 > \phi_2 (вектор напряженности всегда направлен в сторону уменьшения потенциала). На каждый электрон начинает действовать сила:
F = Ee
где e − это заряд электрона.
И поскольку электрон является отрицательно заряженной частицей, то вектор силы будет направлен в сторону противоположную направлению вектора напряженности поля. Таким образом, под действием силы частицы наряду с хаотичным движением приобретают и направленное (вектор скорости V на рисунке). В результате и возникает электрический ток.
В итоге получаем, что ток – это упорядоченное движение заряженных частиц под воздействием электрического поля.
Важным нюансом является то, что принято считать, что ток протекает от точки с более положительным потенциалом к точке с более отрицательным потенциалом, несмотря на то, что электрон перемещается в противоположном направлении.
Носителями заряда могут выступать не только электроны. Например, в электролитах и ионизированных газах протекание тока в первую очередь связано с перемещением ионов, которые являются положительно заряженными частицами. Соответственно, направление вектора силы, действующей на них (а заодно и вектора скорости) будет совпадать с направлением вектора E. И в этом случае противоречия не возникнет, ведь ток будет протекать именно в том направлении, в котором движутся частицы.
Для того, чтобы оценить ток в цепи, существует такая величина как сила тока. Итак, сила тока (I) – это величина, которая характеризует скорость перемещения электрического заряда в точке. Единицей измерения силы тока является Ампер. Сила тока в проводнике равна 1 Амперу, если за 1 секунду через поперечное сечение проводника проходит заряд 1 Кулон.
Мы уже рассмотрели понятия силы тока и напряжения, теперь разберемся, каким образом эти величины могут бы связаны. И для этого нам предстоит понять, что же из себя представляет сопротивление проводника.
Напряжение и сила тока в чем разница?
Неспособность воочию видеть электрический ток и поток зарядов всегда была проблемой для тех, кто пытается воспринимать основные электрические понятия. Два основных компонента исследований сила тока и напряжение, как правило, неверно истолкованы теми, кто пытается разобраться в теме. Эта статья поможет вам понять разницу между ними.
Основные понятия электричества вращаются вокруг одного атомного компонента ― электрона. Неустойчивые атомы, имеют либо дефицит, либо дополнительные электроны в своей валентной зоне. Лишние электроны с одного нестабильного атома стремятся в валентную зону атома имеющего дефицит электронов.
С помощью внешнего электрохимического источника, можно создать движение электронов. Любые две клеммы могут быть использованы для подключения этого источника заряда и создания двух контактов один с положительным потенциалом, а другой с отрицательным.
Идеальные V-I характеристики проводника
Разница потенциалов между двумя такими точками, одна из которых выступает в качестве источника, а другая приемника электронов, называется напряжением. Единицей измерения напряжения является вольт, и его символ «V».
Направление потока электронов и тока
Поток электронов в проводнике, вызывает током. Направление тока идет от положительного полюса к отрицательному. Но электрические заряды, т. е. электроны, на самом деле путешествуют от отрицательного к положительному потенциалу источника. Количество электрического заряда, протекающего через единицу площади поперечного сечения проводника, называется силой тока. Сила тока измеряется в амперах, и имеет символ «I».
Предохранители
Предохранитель используется в электрической цепи и электромонтажных работах, чтобы прервать поток чрезмерного тока через его компоненты. Производители электрических предохранителей указывают характеристики с помощью двух параметров — напряжения и силы тока. Критерии выбора предохранителя зависят от номинального напряжения цепи, в которой он будет работать.
Текущие характеристики предохранителя не зависят от вида, протекающего через него тока — переменного или постоянного. Это зависит только от величины тока в момент расплавления плавкой проволоки. Хотя толщина провода и тип используемой металлической проволоки является фактором, непосредственно связанным с текущей характеристикой оборудования. Это происходит потому, что теплота, выделяемая плавкой проволокой, является функцией квадрата тока, протекающего через проводник, умноженного на сопротивление и время протекания тока.
Влияние аккумуляторов на силу тока и напряжение
Один источник
Аккумуляторы (батареи) как правило оцениваются по силе тока (амперам) который они могут поставлять непрерывно в течение одного часа. Поэтому характеристики аккумуляторов указаны в ампер-часах. Срок службы батареи зависит от подключенной через нее нагрузки. Тяжелые нагрузки, как правило, сокращают срок службы батареи, в то время как легкие нагрузки увеличивают ее срок службы.
Последовательное соединение
Если аккумуляторы соединены в последовательном сочетании в электрической цепи, сети питания, напряжение в цепи будет увеличиваться, а сила тока в цепи останется на том же уровне.
Параллельное соединение
Параллельное соединение источников напряжения используется для увеличения тока без увеличения напряжения.
Аналогия с потоком воды
Два резервуара на одном уровне
Рассмотрим два резервуара соединенных прозрачной трубкой, вода в них держится на одинаковой высоте от земли. В трубке потока воды нет.
Два резервуара на разных уровнях
Теперь, если мы изменим положение одного из резервуаров, чтобы создать разность потенциалов, мы заметим, что вода поступает по трубке из контейнера с большим потенциалом в контейнер с более низким потенциалом. Вместо изменения уровня водоемов, мы можем также использовать водяные насосы для той же цели. Клапаны могут использоваться для регулирования количества протекающей в трубе воды из одного резервуара в другой.
Можно провести аналогию между этой ситуацией и простой электрической цепью. Водяной насос используется для создания давления воды в потоке, назовем это «напряжением». Вода ведет себя как заряженные электроны. Поток воды аналогичен движению электронов, и количество воды, протекающей через единицу площади поперечного сечения трубы аналогично «силе тока». Резервуар более высокого потенциала является «источником питания», и количество содержащейся в нем воды, является «емкостью аккумулятора». Любой кран устанавливаемый вдоль трубы можно рассматривать в качестве «нагрузки». электромонтажные работы
Электрический ток – что это такое, виды, характеристики
Направленное движение частиц с зарядом под действием электромагнитного поля называется электрическим током. В металлических и газовых проводниках носителями электрозаряда выступают электроны, а в жидких средах – положительно и отрицательно заряженные ионы. Электродвижущая сила используется повсеместно и разнообразно – от электродвигателя и радиатора отопления до электромагнитных колебаний и микросхем.
Главной движущей силой электричества служит разность потенциалов – величин разноименных зарядов между полюсами. Чем больше его значение, тем сильнее ток. Именуется оно напряжением, отображается в вольтах.
Напряжение неразрывно связано с другими характеристиками электричества – силой тока и сопротивлением. Величины связаны между собой незыблемой закономерностью – формулой Ома.

Электрический ток определяется, как направленное перемещение заряженных частиц в проводникеИсточник oblepiha.education
С точки зрения характера распространения заряженных частиц и стабильности полярности электрический ток делится на 2 вида:
Постоянный.
Разность потенциалов между контактами создает на одном краю плюсовую полярность, на другом – минусовую. Положение остается стабильным все время – пока сохраняется такая последовательность подключения. При этом направление потока заряженных частиц не меняется.
На схемах и чертежах постоянный ток имеет обозначение в виде прямой черты или DC, а переменный волнистой линией или AC. Применение данной разновидности электротока оправдано, когда требуется передать энергию на минимальное расстояние и мощность не является первоочередным критерием.
Переменный.
В отличие от постоянного электротока переменный характеризуется сменой полярности с определенной частотой. Например, в привычной бытовой сети такие изменения происходят 50 раз в секунду. В электротехнической терминологии это выражается, как частота 50 Гц.

Розетки бытовой сети поставляют в дом переменный ток 220 В с частотой 50 ГцИсточник masterabetona.ru
Передача переменного тока не ограничивается расстоянием, мощностью и большими потерями. Это позволяет использовать его в линиях электропередач. Кроме того, 3-х-фазная сеть удобна для подключения электромоторов.
При сравнении рассматриваемых 2-х видов электротока по главным свойствам проявляются следующие особенности:
- Направление заряженных частиц у переменного тока изменяется в определенный временной отрезок.
- Контакты постоянного тока имеют разную полярность – «+» и «-», выводы переменного – это ноль и фаза.
- Сетевое электричество вырабатывается генераторной установкой, постоянный ток поступает из АКБ, элемента питания или трансформатора.
- Оба вида тока можно получить путем преобразования одного в другой.

В мобильном телефоне используется источник постоянного электротокаИсточник ria.ru
Напряжение, ток и сопротивление
Электрическая цепь образуется, когда создается проводящий путь, позволяющий электрическому заряду непрерывно перемещаться. Это непрерывное движение электрического заряда по проводникам цепи называется током, и о нем часто говорят как о «потоке», как о потоке жидкости через полую трубу.
Сила, побуждающая носители заряда «течь» по цепи, называется напряжением. Напряжение – это особая мера потенциальной энергии, которая всегда относительна между двумя точками. Когда мы говорим об определенной величине напряжения, присутствующего в цепи, мы имеем в виду измерение потенциальной энергии для перемещения носителей заряда из одной конкретной точки этой цепи в другую конкретную точку. Без упоминания двух конкретных точек термин «напряжение» не имеет значения.
Ток, как правило, проходит через проводники с некоторой степенью трения или противодействия движению. Это противодействие движению правильнее называть сопротивлением. Величина тока в цепи зависит от величины напряжения и величины сопротивления в цепи, препятствующего прохождению тока. Как и напряжение, сопротивление – это величина, измеряемая между двумя точками. По этой причине величины напряжения и сопротивления часто указываются как «между» двумя точками в цепи.
Плюсы и минусы
В самом упрощенном представлении (для чайников) разница между постоянным и переменным током состоит в возможности получения, накопления и пользования первого из второго. Таким способом идет подзарядка всех современных бытовых приборов – мобильника, ноутбука, бесперебойника котла и т. д.

Плюс постоянного тока – возможность аккумуляции от источника электроэнергииИсточник limitenergy.ru
Постоянный электроток обладает таким рядом преимуществ:
- Отсутствие реактивной мощности в цепи, более продуктивный расход энергии.
- Эффективная аккумуляция электроэнергии – с помощью АКБ и конденсаторов.
- Нет задержки или опережения в электроцепи.
Помимо плюсов имеются также некоторые недостатки:
- Возникновение искрения или замыкании при прерывании цепи – ввиду наличия постоянного напряжения. Это исключено в цепи переменного тока, так как отключение возможно в момент падения характеристики до нуля во время колебаний при смене полярности.
- Сложность повышения и понижения потенциала. Для подобного преобразования ток сначала требуется перевести в переменный, затем с заданными параметрами обратно в постоянный. Для этого потребуется дорогое оборудование.
- Усиление электрохимической коррозии при сопутствующих условиях, например, для элементов подземной коммуникации.
Зачастую бытовые приборы работают на постоянном электричестве. Подключаются они при этом от бытовой переменной сети, но в своей конструкции имеют специальный преобразователь для получения тока заданных характеристик.

Ноутбук и другая цифровая техника работает на постоянном токе, но подзаряжается через преобразователь от переменной электросетиИсточник m24.ru
Применение переменного электротока имеет такой ряд положительных особенностей:
- Возможность транспортировки электроэнергии на большие дистанции с минимальной потерей.
- Доступность преобразования параметров электротока в любом требуемом значении.
- Простота подключения электрооборудования – ввиду отсутствия полярности. Вилку в розетку можно воткнуть любой стороной, чего нельзя сделать в сети постоянного тока.
- Безопасное прерывание электропитания.
Недостатки переменной электросети проявляются в следующем:
- Возникновение реактивной мощности, из-за чего возрастает расход энергии.
- Поверхностное вытеснение заряда в проводнике, что снижает полезную площадь сечения, увеличивает сопротивление и приводит к потерям мощности.
- Необходимость повышения напряжения на линиях электропередач, длиной свыше 500 км.
Видео-урок о том, чем отличается постоянный ток от переменного:
Применение
Электрический ток называется постоянным, прежде всего, ввиду стабильности полярности, отсутствия перепадов и импульсов. Это свойство позволяет использовать его в различных микросхемах для обеспечения работы электроники и точной техники.
Помимо этого, электричество с таким набором характеристик нашло широкое применения в других областях:
- Электромоторы транспортных средств, подъемников.
- Портативные АКБ бытовых устройств.
- Электролитические промышленные установки.
- Электродуговая и газовая сварка.
- Бортовые электросети.
- Медицинские технологии по внедрению лекарственных препаратов.
- Научно-исследовательские направления.
Переменный электроток находит применение преимущественно в бытовых и промышленных сетях – для подвода электроэнергии к домам, цехам, торговым центрам, больницам и проч. Мощные производственные установки, двигателя, как правило, питаются такой разновидностью электричества.
Видео о том, какой ток лучше – постоянный или переменный:
Коротко о главном
Электроток представляет собой направленное движение электронов и ионов. Движущей силой им служит разность потенциалов. Применяется электричество практически везде – от моторов до микросхем.
Разделяется электрический ток на переменный и постоянный. Различаются они прежде всего тем, что полярность последнего неизменна, а первого – меняется с определенной частотой. На схемах значок постоянного тока выглядит как прямая линия или буквами DC, переменного – волнистая черта или AC.
Источники электротока классифицируются на такие виды:
- Механические. Генераторы ГЭС, ТЭС, автономные.
- Термические. На основе термопар.
- Световые. Солнечные батареи.
- Химические. АКБ, гальванические элементы.
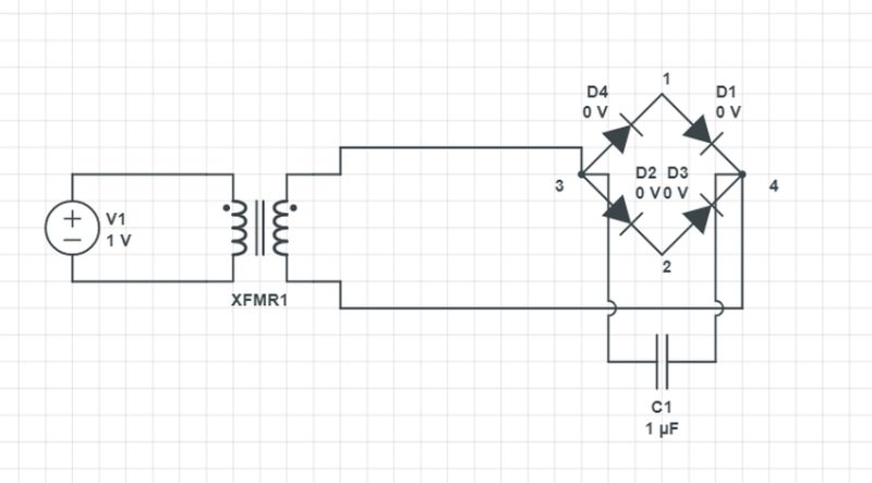
2. Создание физической схемы
Для построения физической схемы вам понадобится следующее оборудование:
- Понижающий трансформатор
- Четыре диода
- Перфорированная плита
- Провода
- Конденсатор
- Мультиметр
Давайте посмотрим на функции каждого компонента в схеме.
- Понижающий трансформатор: он используется для преобразования энергии высокого напряжения с низким током в мощность с низким напряжением и высоким током. Если вы хотите преобразовать переменный ток в постоянный с большей величиной, чем у источника, вы можете использовать повышающий трансформатор.
- Диоды: позволяет электричеству течь в одном направлении при прямом смещении и блокирует поток в другом направлении. В этой схеме построен мостовой выпрямитель с использованием четырех диодов.
- Perfboard: электронная плата, используемая для создания прототипов схем.
- Провода: компоненты соединяются, а затем соединяются проводами.
- Конденсатор: электронный компонент для накопления заряда, который сглаживает ток в цепи.
- Мультиметр: электронное устройство, используемое для измерения тока, напряжения, сопротивления и других параметров в цепи. В этом примере он используется для измерения постоянного напряжения.
Остальные компоненты подключаются напрямую в первичную цепь, но в мостовом выпрямителе диоды необходимо соединять в форме ромба.
Как сделать мостовой выпрямитель:
1. Подключите два диода в форме буквы L. Убедитесь, что их отрицательные концы подключены.

2. Таким же образом подключите оставшиеся два диода. Присоединяйтесь к их позитивным результатам на этот раз.

3. Соедините два набора диодов в форме ромба, как показано ниже.

Убедитесь, что диоды подключены правильно, и ваш мостовой выпрямитель готов.
Создание финального контура:
Давайте посмотрим, как использовать эти компоненты в цепи, чтобы получить выход постоянного тока от источника переменного тока.
1. С помощью гаек и болтов плотно прикрепите понижающий трансформатор к монтажной плате.

2. Подключите мостовой выпрямитель к цепи.

3. Черный и белый провода трансформатора должны быть подключены к источнику переменного тока. Подключите два других провода трансформатора к мостовому выпрямителю, как показано ниже.

4. Оберните провода в этих двух точках, где трансформатор подключен к выпрямителю. После этого припаяйте соединения.
5. Подключите положительный конец конденсатора к левому углу выпрямителя, а отрицательный конец к правому концу, как показано точками 3 и 4 на принципиальной схеме. Схема может работать без конденсатора, но вы должны использовать его, чтобы заблокировать изменение тока.

6. Подключите трансформатор к источнику переменного тока и включите источник переменного тока.
7. Установите мультиметр в режим измерения напряжения. Подключите две вилки к положительной и отрицательной сторонам конденсатора / мостового выпрямителя. Он покажет значение мощности постоянного тока, преобразованной из мощности переменного тока.

Что отличает силу тока от напряжения?
Осмелимся предположить, что в качестве основной разницы между двумя этими понятиями является их непосредственное определением:
- Под словами «сила тока» и «ток», в частности, представляют некое количество электричества, в то время, как напряжением принято считать меру потенциальной энергии. Простыми словами, два эти понятия достаточно сильно зависят друг от друга, сохраняя некоторые отличительные особенности, при всем этом. На их сопротивление влияет огромное количество самых разнообразных факторов. Важнейшим из них, является материал, из которого выполнен тот или иной проводник, внешние условия, а также температура.
- Некая разница предусмотрена также и в их получение. Так, если воздействие на электрические заряды, создает напряжение, то ток получается уже путем прикладывания напряжения между точками схемы. Кстати говоря, в качестве таковых приборов, могут выступать обыкновенные батареи или более продвинутые и удобные генераторы. По этой причине мы и можем говорить о том, что основные отличия двух этих понятий, сводятся к их определению, а также тому, что получаются они в результате совершенно разных процессов.
Конечно, в том случае, если в розетку вы не будете подключать никаких электроприборов, напряжение будет оставаться неизменным, в то самое время, как ток будет равняться нулю. Ну а если не будет предусмотрено расхода, то какая вообще может идти речь о токе и какой-либо его силе? По этому, ток — это всего лишь некое количество электричества, в то время, как напряжением считается мера потенциальной энергии определенного источника электричества.
Интересное видео, где подробно объясняется разница между током и напряжением:
Что такое напряжение, и сила тока?
Сегодня речь пойдет о самых базовых понятиях силы тока, напряжения, без общего понимания которых невозможно построение любого электротехнического устройства.
Итак, что же такое напряжение?
Попросту говоря напряжение — разница потенциала между двумя точками электрической цепи, измеряется в Вольтах. Стоит заметить что, напряжение всегда измеряется между двумя точками! То есть, когда говорят что напряжение на ножке контроллера 3 Вольта, подразумевается что разница потенциалов между ножкой контроллера и землей те самые 3 Вольта.
Земля(Масса, Ноль) — это точка электрической схемы с потенциалом 0 Вольт. Однако стоит заметить, что напряжение не всегда измеряется относительно земли. Например, замерив напряжение между двумя выводами контроллера, мы получим разницу электрических потенциалов данных точек схемы. То есть если на одной ножке 3 Вольта(То есть данная точка обладает потенциалом 3 Вольта относительно земли), а на второй 5Вольт(Опять же потенциал относительно земли), мы получим значение напряжения равное 2 вольтам, что равняется разнице потенциалов между точками 5 и 3 Вольта.
Из понятия напряжение вытекает следующее понятие — электрический ток. Из курса общей физики мы помним, что электрический ток есть направленное движение заряженных частиц по проводнику, измеряется в Амперах. Заряженные частицы движутся благодаря разнице потенциалов между точками. Принято считать, что ток происходит из точки с большим зарядом, в точку, обладающую меньшим зарядом. То есть, именно напряжение (разность потенциалов) создает условия протекания тока. При отсутствии напряжения — невозможен ток, то есть между точками с равным потенциалом ток отсутствует.
На своем пути, ток встречает препятствие в виде сопротивления, что препятствует его протеканию. Сопротивление измеряется в Омах. Подробнее о нем мы поговорим в следующем уроке. Однако, между током, напряжением и сопротивлением уже давно выведена следующая зависимость:
Где I — Сила тока в Амперах, U — Напряжение в Вольтах, R — Сопротивление в Омах.
Данное соотношение называется законом Ома. Так же справедливы следующие выводы из закона Ома:
На этом всё, в следующем уроке поговорим о сопротивлении.
Любое копирование, воспроизведение, цитирование материала, или его частей разрешено только с письменного согласия администрации MKPROG . RU . Незаконное копирование, цитирование, воспроизведение преследуется по закону!
Разница постоянного и переменного тока
Электрический ток – это поток заряженных частиц, в частности электронов, в проводнике. Его можно разделить на два основных типа: постоянный ток (ПТ) и переменный ток (ВТ). Эти два типа тока имеют ряд существенных различий, которые определяют их применение в различных областях техники и технологии.
Постоянный ток (ПТ)
Определение и характеристики:
Постоянный ток – это электрический ток, который течёт в одном и том же направлении с постоянным значением интенсивности. Он обычно используется в батареях, аккумуляторах и некоторых типах электроники.

Применение:
Постоянный ток широко используется в электронике, автомобильной промышленности и системах зарядки батарей. Он подходит для устройств, которым необходим стабильный и неизменный источник питания.
Преимущества и недостатки:
Преимущества постоянного тока включают стабильность и предсказуемость, что делает его предпочтительным для некоторых приложений. Недостатками являются сложности в передаче на большие расстояния и потребность в преобразователях для совместимости с устройствами на переменный ток.

Переменный ток (ВТ)
Определение и характеристики:
Переменный ток – это электрический ток, значение и направление которого периодически меняется со временем. Это наиболее распространенный тип тока в современных электросетях.
Применение:
Переменный ток используется в большинстве домашних и промышленных приложений, включая передачу электроэнергии на большие расстояния, освещение и множество бытовых устройств.

Преимущества и недостатки:
Преимущества переменного тока включают легкость передачи на дальние расстояния и возможность легкого изменения напряжения с помощью трансформаторов. Недостатки могут включать сложности в управлении и необходимость специализированных устройств для работы с некоторыми типами оборудования. Постоянный и переменный ток имеют свои уникальные характеристики, которые делают их подходящими для различных приложений. Выбор между ними обусловлен специфическими требованиями и ограничениями конкретного случая применения.



































