Как зарядить АКБ с помощью ПЗУ
– Расположите все провода так, чтобы исключить риск повреждения капотом, дверью, или движущейся машинной частью. Проверьте полярность АКБ. (+) вывод АКБ обычно имеет больший диаметр, чем (-) вывод.
– Определите, какой вывод АКБ заземлен на массу (корпус автомобиля).Если (-) вывод заземлен на массу (как в большинстве транспортных средств), соедините (+ КРАСНЫЙ) зажим от ЗУ с (+) положительным выводом АКБ. Соедините (- ЧЕРНЫЙ) зажим на корпус автомобиля или блок двигателя подальше от АКБ. Не соединяйте зажим с карбюратором, топливными трубками, или частями листовой стали. Подсоедините к массивной металлической детали или блоку двигателя.
– Отключая ЗУ, сначала отсоедините его от сети питания, потом отсоедините зажим от массы, потом с вывода АКБ.
В том случае, если вы заряжаете АКБ, установленную на автомобиле, НИКОГДА не заводите двигатель во время заряда АКБ.
ВНИМАНИЕ: Зарядка АКБ на плавучих средствах не допустима без специального оборудования! АКБ должна быть удалена из плавучего средства и заряжаться на берегу. (Зарядка на борту требует специального оборудования, разработанного для морского использования.). Помните, что каждое из типов ПЗУ имеет свои особенности процесса заряда аккумулятора, поэтому внимательно читайте инструкцию, прилагаемую к устройству, прежде чем использовать его!
Помните, что каждое из типов ПЗУ имеет свои особенности процесса заряда аккумулятора, поэтому внимательно читайте инструкцию, прилагаемую к устройству, прежде чем использовать его!
Рейтинг лучших пуско-зарядных устройств
Рейтинг ПЗУ сформировался следующим образом:
- На первом месте ПЗУ от компании JIC с наиболее популярной моделью JIC-12. Показатель емкости батареи составляет 12000 мА/ч, напряжение 12 вольт, показатель максимального пускового тока 400 ампер, масса прибора 240 г. Позволяет осуществить до 1000 циклов зарядки.
- На втором месте компания NOKO с моделью GB20 Boost Sport. По техническим характеристикам модель не слишком отличается от предыдущей. В целом устройства схожи, кроме емкости батареи (для такой модели характерен показатель в 10000 мА/ч и вес 950 г.
- На третьем месте компания-производитель Hummer, модель H3. Показатель емкости прибора равен 6000 мА/ч, напряжение 12 вольт, максимальный пусковой ток 300 ампер, вес 227 г, может произвести до 1000 циклов заряда.
Как правильно зарядить автомобильный аккумулятор: пошаговая инструкция
Как выбрать зарядное устройство для автомобильного аккумулятора
Что такое внешний аккумулятор для телефона и какой лучше выбрать?
Проверка электрических параметров автомобильного аккумулятора с помощью мультиметра
Как правильно выбрать аккумулятор для автомобиля?
Как заменить аккумулятор в автомобиле — порядок замены
Объем решает: виды джамп-стартеров
Какой-нибудь V12 под 6 л. по силам подкурить мобильной пусковой станции. Внешне она похожа на чемоданчик. Внушительные габариты обусловлены использованием свинцово-кислотного АГМ малой емкости. В общем-то он капризный, и требует неукоснительного соблюдения технологии, как заряжать аккумулятор AGM на 12В зарядным устройством.
В основе карманника – несколько последовательно соединенных быстроразрядных батарей литий-полимерного типа. Они способны кратковременно выдавать большой ток (порядка 200-450 А), а потому вправе крутить стартер. Еще Li-Po источники питания нашли применение в электромобилях.
Какое пуско-зарядное устройство для автомобиля лучше выбрать
Мы подготовили список из десяти лучших джамп-стартеров, включая модели Carku PRO-60, Fubag Drive 600 и Aurora Atom 18 Evolution. Каждое из этих устройств сочетает надежное качество, компактный дизайн и высокую производительность.
Один из ключевых факторов, которые следует учитывать, — это объем двигателя вашего автомобиля, так как от него зависит необходимая мощность для пускового устройства. В информации о большинстве джамп-стартеров указывается максимальный объем двигателя, который они могут запускать. Обычно максимальный объем двигателя для дизельных автомобилей немного меньше, чем для бензиновых.
После выбора джамп-стартера, подходящего для вашего автомобиля, стоит обратить внимание на его размер, цену и дополнительные функции. Устройства с более емким аккумулятором смогут запускать двигатель большее количество раз до необходимости зарядки
Однако следует учитывать, что такие устройства могут быть тяжелее и дороже.
Также стоит обратить внимание на легкость и безопасность использования джамп-стартера
Важно, чтобы устройство имело защиту от искрения при соединении с аккумулятором, защиту от обратной полярности и короткого замыкания. Крепкие кабели и надежные соединения также являются важными аспектами безопасности
Крепкие кабели и надежные соединения также являются важными аспектами безопасности.
Дополнительные функции могут включать USB-порты для зарядки смартфонов и других устройств, встроенный фонарик и цифровой дисплей, показывающий уровень заряда аккумулятора.
Помните, что перед использованием любого электрического устройства необходимо внимательно ознакомиться с инструкциями. Это позволит вам использовать продукты безопасно и эффективно.
Как еще можно использовать ПЗУ
Современные автомобильные гаджеты не подведут, даже если вам нужно найти что-то в багажнике, быстро зарядить телефон в поездке или послушать музыку на природе, когда под рукой нет розетки.
Дополнительные функции пусковых устройств следующие:
- Наличие USB-портов для быстрой зарядки девайсов
- Слоты для использования ПЗУ в качестве источника питания в течение 6-8 часов
- Яркий LED-фонарь в корпусе устройства
Любителей инноваций приведет в восторг ПЗУ HUMMER HXPRO. В нем сочетаются все вышеперечисленные функции, но есть и еще один бонус — беспроводная зарядка! Девайс можно положить в бардачок и при необходимости доставать, чтобы зарядить в пути смартфон, умные часы или кейс от наушников. Также, пуско-устройство не требует постоянной подзарядки и способно произвести до 40 запусков аккумулятора подряд.
Как завести машину от ПЗУ
Для начала возьмем импульсный загрузчик. Так что есть такой аппарат и машина с севшим аккумулятором. Следующие шаги:
- Ставим машину на стояночный тормоз. Открываем капот, если на клеммах аккумулятора есть защитные резиновые накладки, поднимаем их вверх и отводим в сторону.
- ПЗУ устанавливаем рядом с аккумулятором (снимать и отключать от бортовой сети не обязательно), но для того, чтобы устройство было в безопасности, желательно попросить кого-нибудь подержать его.
- Подключаем «плюсовой» кабель ПЗУ к соответствующей клемме аккумулятора. Затем подключаем «минусовой» провод. Здесь нужно быть очень осторожным, чтобы выводы не «перегрузились». Также убедитесь, что кабели не соприкасаются с движущимися частями двигателя.
- Устанавливаем в ПЗУ режим «boot» для обеспечения загрузочных токов на выходах.
- Подключаем устройство к сети, после чего включаем.
- Садимся в машину и делаем тест-драйв. В этом случае долго крутить стартер нельзя, попытка должна длиться 4-5 секунд. Если он не запускается с первого раза, подождите пару минут, пока аккумулятор зарядится, и повторите попытку.
- Если при первой попытке вы заметили, что стартер по-прежнему слабо «крутит», это означает, что аккумулятор сильно разряжен и автомобиль невозможно завести. Поэтому выключаем устройство, переводим его в режим «зарядка» и подзаряжаем аккумулятор, чтобы хотя бы немного восстановить его заряд. В этом случае не обязательно давать полный цикл заряда, достаточно его немного восстановить.
- После подзарядки снова включите устройство в режиме «старт» и попробуйте завести автомобиль.
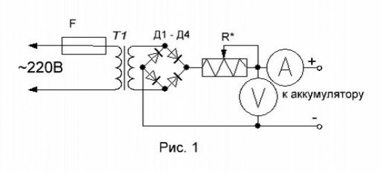
Трансформаторные устройства

Первыми появились трансформаторные автономные устройства, поэтому о них и пойдёт речь сначала. Такое ПЗУ обязано иметь в составе компонентов сам трансформатор, регулятор выходного напряжения, должен иметь выпрямительный диодный мост и амперметр для контроля выходного тока. Схема подобного простейшего устройства представлена ниже. Всем хорош такой прибор, но его огромный минус — огромные размеры и вес. Такой прибор не имеет автоматического контроля и за ним надо постоянно следить при зарядке АКБ, что не совсем удобно, учитывая бешеный ритм жизни.

С другой стороны, комбинированные ПЗУ на основе трансформатора могут предоставит достаточно широкие дополнительные возможности. К примеру, одним и тем же ПЗУ можно заряжать и восстанавливать батарею, запускать двигатель и использовать устройство, как сварочный аппарат. Вроде бы звучит неплохо, но дело в том, что для зарядки АКБ необходимо напряжение 12 или 24 вольта, а ток — 15-20 ампер. Для сварки — напряжение в пределах 40 вольт, а ток не менее 200 А. Теперь можно только представить, что будет с электрооборудованием, если забыть переключить устройство из режима сварки в режим зарядки или пуска.
Как правильно выбрать пуско-зарядное устройство
При выборе в первую очередь отталкивайте от конкретных потребностей – марки вашего автомобиля и его характеристик. Покупать более мощное пусковые зарядные устройства специалисты не рекомендуют, так как заплатить придётся сразу, а воспользуетесь ли вы дополнительными функциональными возможностями или нет – вопрос открытый.
Перед приобретением уточните напряжение на аккумуляторе автомобиля – обычно это 12 В, но иногда встречаются 24В.
Очень важный параметр, на который следует обращать внимание – это пусковой ток. Обычно для запуска нужно меньше 1 000 А, однако лучше задуматься о покупке более мощного устройства (это больше касается портативных)
Приборы, имеющие емкость более 1 000 А, могут несколько раз использоваться для пуска двигателя без подзарядки. К тому же их можно заряжать от прикуривателя машины во время поездки.
Обращайте внимание на габариты. Далеко не в каждом авто есть достаточно места для громоздкого дополнительного устройства
По брендам. Лучше остановить свой выбор на известной фирме, которая хорошо зарекомендовала себя и выпускает надежный товар.
Для чего нужно пуско-зарядное устройство
Обычные свинцово-кислотные АКБ, установленные на подавляющем большинстве автомобилей, наполнены жидким электролитом, представляющим собой по сути смесь воды и серной кислоты. На сильном морозе батареи подобного типа в буквальном смысле замерзают и утрачивают заявленные показатели емкости, напряжения и силы пускового тока. В худшем случае аккумулятор может полностью утратить свой первоначальный заряд, в лучшем – наполовину, чего едва хватит на несколько попыток запуска двигателя.
Даже уверенные в надежности своей техники производители не гарантируют запуск двигателей новых автомобилей с новыми кислотными аккумуляторами при температурах ниже -24С, о чем прямо указывается в руководстве по эксплуатации. Поэтому, чтобы не превратиться морозным утром из автомобилиста в пешехода, стоит позаботиться о наличии специального устройства – ПЗУ. Оборудование предназначено в первую очередь для решения проблемы зимнего запуска двигателя при разряженном АКБ, однако этим его функционал далеко не ограничивается.
Данные устройства отличает универсальность предназначения: они могут как помочь штатному аккумулятору завести двигатель, так и обслужить его, произведя цикл полной зарядки. Стандартные свинцово-кислотные АКБ можно заряжать при помощи любого автомобильного ПЗУ. Исключение составляют гелевые аккумуляторы, которые рассчитаны на иной режим зарядки и применение специального зарядного устройства.
Функции и возможности пуско-зарядных устройств
У ПЗУ три основных функции:
- Пуск двигателя при разряженном АКБ;
- Кратковременная подзарядка АКБ перед пуском (не более 15 минут);
- Зарядка и восстановление АКБ (только сетевые ПЗУ).
При этом современные ПЗУ имеют множество дополнительных функций и возможностей:
- Разнообразная автоматика и «интеллектуальные системы» — ПЗУ «следят» за правильностью подключения клемм, обеспечивают лучшие режимы заряда АКБ и пуска двигателя, отключают ток при коротких замыканиях и иных проблемах, и т.д.;
- Возможность подключения различных потребителей тока — для этого ПЗУ оснащаются гнездом прикуривателя и дополнительными клеммами;
- Регулировка напряжения — возможность выбрать необходимое для каждого конкретного случая напряжение;
- Индикация тока, напряжения и других важных параметров.
Сейчас на рынке представлен огромный выбор ПЗУ, и все они соответствуют простому принципу: чем дороже — тем более широкий функционал. Поэтому каждый автовладелец может выбрать тот вариант, который ему больше по душе или по карману.
Как выбрать пуско-зарядное устройство для автомобиля
Типы пуско-зарядных устройств
Все эти изделия поделены на 4 большие категории:
- импульсные;
- конденсаторные;
- аккумуляторные;
- трансформаторные.
1. Импульсный тип ПЗУ
Подобные девайсы функционируют на основе преобразования напряжения импульсного типа. В условиях высокой частоты происходит рост напряжения, после чего начинается его снижение и последующее преобразование.
Сильные стороны:
- КПД – может достигать 90% и более. Ведь основные элементы устройства почти всегда находятся в устойчивом положении (вкл./выкл.), тогда как потери происходят в момент переключения основных компонентов.
- Малый вес – сказывается рост частоты, что позволяет применять трансформаторы аналогичной мощности, но меньших габаритов.
- Надежность – в этом отношении приборы аналогичны стабилизаторам линейного типа. В частности, почти вся бытовая и оргтехника располагает импульсными блоками питания.
- Защита – отсутствие нагрузки и замыкания не станет проблемой, так как от этого имеется защита.
- Цена – разработка высокопроизводительных транзисторов и унификация компонентов позволяет существенно снизить ценник.
Слабые стороны:
- Помехи – импульсные изделия часто создают помехи из-за принципов своего функционирования.
- Ремонтопригодность – как правило, она заметно ниже, чем у иных типов.
- Поломки – хоть от замыканий изделия защищены неплохо, неправильное подключение к аккумулятору (полюса) и перепады напряжения могут привести к поломке.
2. Конденсаторные ПЗУ
Особенность их работы в том, что сначала происходит зарядка интегрированных конденсаторов, а уже после этого заводится двигатель автомобиля. Их главным плюсом является компактность и мобильность. Однако высокий разряд отрицательно сказывается на состоянии батареи, да и высокая цена ограничивает предложение.
3. Аккумуляторные
Эти приборы могут быть как профессиональными, так и бытовыми. Большинство автолюбителей выбирает именно бытовые, так как их мощности вполне достаточно, чтобы завести легковой авто. Мощность профессиональных комплексов в данном случае избыточна. Схема работы – изначально происходит заряд интегрированных аккумуляторов, после чего заводится мотор.
4. Трансформаторные
В конструкции таких приборов имеется трансформатор, посредством которого сначала происходит понижение напряжения, а после выпрямление. Сильные стороны пуско-зарядных устройств трансформаторного типа – отличный пусковой ток и мощность. Такой набор гарантирует запуск машины даже при условии полностью посаженного аккумулятора. Кроме того, помехи отсутствуют, в отличие от импульсных девайсов. А еще такие приборы надежны и неприхотливы.
Обратная сторона – большие габариты, низкий КПД и наличие стабилизатора. Последний гарантирует стабильное напряжение, но и обусловливает потери КПД.
Критерии выбора ПЗУ
Видео: Выбор пуско-зарядного устройства. Советы автоэксперта
Перед покупкой необходимо четко знать параметры АКБ собственного автомобиля, так как именно от характеристик аккумулятора во многом и будет зависеть выбор. Тем не менее, есть 4 основных критерия:
- ток зарядки
- напряжение
- напряжение (выходное)
- габариты и масса
1. Ток зарядки
Этот параметр обычно варьируется в пределах 20-3 000 А, что зависит от модели. Впрочем, гнаться за высокими цифрами не стоит, так как для запуска и зарядки достаточно значения в пределах 35-55 А. Если же у вас грузовой авто, значение будет выше.
2. Напряжение
Оно означает источник питания, к которому разрешается подключать пуско-зарядное устройство. Как правило, на отечественном рынке представлены модели, ориентированные на работу от стандартной сети в 220 В. Тем не менее, есть и приборы, работающие от сети в 110 В, которые покупаются теми водителями, кто часто ездит за границу. При покупке последнего нужно отдельно приобрести трансформатор.
3. Напряжение (выходное)
Это значение обязано быть идентичным таковому у АКБ вашего автомобиля, с которым можно ознакомиться в мануале к аккумулятору.
4. Габариты и масса
Тут все зависит от наличия/отсутствия гаража и необходимости иметь устройство при себе. Если есть гараж, можно приобрести мощное устройство, однако его вес может приблизиться к 20 кг, а у особо мощных, рассчитанных на грузовики – к 50 кг. Если же вы обычно оставляете машину на улице, целесообразно выбрать компактный прибор со средними параметрами ширины и высоты в 20/40 см, а также массой в 5-10 кг.
Важно помнить, что производители нередко хитрят и указывают на упаковке завышенные данные, которые прибор выдать не в состоянии. В таком случае определить реальный пусковой ток можно, воспользовавшись формулой: номинальная мощность/выходное напряжение
Характеристики автономных ПЗУ
Кроме выполнения своего прямого предназначения, автономные ПЗУ могут похвастать расширенным функционалом (может различаться в зависимости от модели):
- автоматическая защита от короткого замыкания при изменении полярности на клеммах;
- автоматическая защита устройства от перегрева;
- автоматический режим зарядки с выбором оптимальных параметров тока исходя из характеристик и текущего состояния АКБ;
- режим ускоренной зарядки автомобильного аккумулятора («boost»);
- возможность подзарядки встроенной батареи не только от сети 220V, но и от 12-вольтовой бортовой сети автомобиля через гнездо прикуривателя;
- возможность использовать бустер как источник питания любого электроприбора, работающего от напряжения 12В через разъем прикуривателя;
- наличие съемного фонаря с подзаряжаемой батареей;
- разъем USB с выходным напряжением 5V для подзарядки мобильных гаджетов.
Зарядное устройство для автомобильного аккумулятора какой фирмы лучше выбрать
Приборы для подзарядки должны быть мощными и удобными в использовании. Но не все бренды предлагают качественные модели, которые смогли бы прослужить не один год. В рейтинге описаны производители качественных зарядок, которые можно использовать в любую погоду, для разных машин:
- Вымпел – производитель систем амортизации, зарядных устройств (ЗУ), измерительных комплексов, которые используются в 30 странах. Товар поставляется в Европу и Америку, имеет высокое качество и долговечность.
- Patriot – компания, предлагающая большой выбор садовой техники, строительного оборудования, машинных аксессуаров. Создана в 2000 году в США, с 2003 года переместилась в Китай, а с 2004 года начала поставлять товар в Россию.
- AVS – российская торговая марка, представляющая машинные аксессуары, электронику. Товар имеет высокое качество, используется на всех рынках автоаксессуаров. Всего фирма создает более 1000 наименований техники и электроники.
- Орион – компания основана в 1913 году в Венгрии, создает электронику и технику, имеет производственные филиалы в Японии, Корее, Китае и Турции. На российский рынок поставляет обогреватели, конвекторы, зарядные приборы, телевизоры, другое.
- AutoExpert – производитель аксессуаров и запчастей, который поставляет товар в разные страны. Компания с каждым годом создает большее число наименований, которые подходят для автотехники любого вида.
- Bosch – немецкий бренд, выпускающий бытовую технику для кухни, дома, транспорта. В каталоге – лучшие стиральные машинки и холодильники, электроинструменты и газонокосилки. Создан в 1886 году в Штутгарде инженером Робертом Бошем. Компания создает не только зарядные приборы для транспортных аккумуляторов, с каждым годом развивает свой товар, внедряет новые технологии.
- Airline – российская компания, которая развивается и создает новые транспортные аксессуары и технику. Основана в 2004 году, изначально предлагала только мелкие детали для авто, затем стала создавать более масштабные аксессуары.
- Artway – бренд предлагает разные автомобильные аксессуары, среди которых видеорегистраторы, фары, системы торможения и другие. Компания сотрудничает со многими европейскими фирмами, с каждым годом расширяет объем своего товара.
- Fubag – немецкая компания, создает профессиональное сварочное и машинное оборудование, сварочные инверторы, мелкие детали и аксессуары для комфортного их использования. Она поставляет товары уже более чем 30 лет, за это время имеет личные заводы во Франции, Швейцарии, Германии и Чехии.
- Berkut – бренд создан в 2001 году, он производит автомобильные аксессуары, стеклоподъемники, охладительные системы. Товар качественный, надежный, практичный, долговечный. Сейчас компания является партнером более 150 крупных фирм не только в России, но и в странах СНГ.
- Carku – производитель первых портативных пусковых зарядных устройств (ПЗУ). Продаёт свою продукцию в 50 странах мира. Основный рынок сбыта – Соединённые Штаты, Канада. Выпускает профессиональные зарядные станции и бытовые модели.
- Carcam – российская компания, выпускающая автомобильные видеорегистраторы, радар-детекторы, GPS тракеры. Фирма первой в мире выпустила регистрирующее устройство для авто в формате Full HD. Компания производит комплекты для видеонаблюдения, охранные сигнализации, кухонные приборы и бытовую технику.
Универсальное пуско-зарядное устройство СПЕЦ УПЗУ-10000
Универсальная модель в прочном корпусе, призванном защитить электронную «начинку» от ударов и других механических воздействий. СПЕЦ УПЗУ-10000 отличается богатой комплектацией (куча переходников в комплекте), встроенной LED-подсветкой, высокой емкостью встроенного литий-ионного аккумулятора.
Преимущества СПЕЦ УПЗУ-10000:
- наличие переходников для зарядки мобильных устройств, в том числе ноутбуков (позволяет запитывать гаджеты с напряжением питания 5/12/16/19 В);
- ремонтопригодность (в одном из отзывов пользователь описал, как смог отремонтировать бокорезами микропереключатель на внутренней плате ПЗУ этой модели);
- большой рабочий ресурс (модель рассчитана на 1000 циклов заряда/разряда).
Недостатки СПЕЦ УПЗУ-10000:
- может отказать в мороз ниже -30 градусов (в одном из отзывов о СПЕЦ УПЗУ-10000 описан случай, что в -30 эта модель без проблем справлялась с запуском двигателя, а вот уже при -32 отказала);
- некачественно реализованная индикация уровня заряда встроенного аккумулятора (в процессе зарядки индикатор показывает 100% заряда, а после отключения горит 2 индикатора из 4);
- западают кнопки.
Технические характеристики:
- выдаваемое напряжение – 12 В;
- максимальный пусковой ток – 560 А;
- емкость встроенного аккумулятора – 9600 мАч;
- размеры: 175 х 85 х 37 мм;
- вес – 0,8 кг.
Цена СПЕЦ УПЗУ-10000 – от 3400 рублей.
ТОП лучших пусковых устройств по соотношению цена/качество
Здесь собраны наиболее удачные модели портативных бустеров по отзывам пользователей.
Fubag Drive 600
Пусковое устройство от немецкого бренда прекрасно справляется с пуском двигателей до 6 л. Имеет встроенную батарею, которая заряжается от прикуривателя авто. Одного полного заряда аккумулятора достаточно для 70 запусков.
Отлично показал себя в работе даже при низких температурах. На корпусе расположен светодиодный индикатор и фонарик. Также имеет USB разъем с напряжением 12, 19 и 5 вольт, для зарядки телефона, ноутбука и т.п. Пусковое удобное в использовании, хранении и транспортировке. Хорошая комплектация. Батарея устройства напряжением 12 В дает пусковой ток до 600 А. Емкость встроенной АКБ – 18 000 мА·ч. Одно из лучших в данной категории.
Достоинства:
- в комплект входит удобный кейс;
- качественные провода;
- наличие фонарика;
- прекрасно работает даже при сильных морозах;
- индикация заряда встроенной батареи.
HUMMER H1
ПУ очень компактный и недорогой, получил встроенную литий-ионную батарею. Пусковой ток от 400 до 800 А, подходит для запуска любого двигателя объемом до 7 литров (дизельных – 5л). По утверждениям изготовителя батарея рассчитана на 1 000 циклов заряда и разряда. Пусковое подзаряжается от прикуривателя автомобиля.
В дополнение имеется встроенный фонарик и разъем USB для подзарядки мобильных устройств. Прибор очень надёжный и многофункциональный, легко прячется в бардачке машины. Отлично работает даже в мороз до -30 °С. Емкость встроенного аккумулятора – 15 000 мА·ч.
Достоинства:
- большая емкость батареи;
- сравнительно невысокая стоимость;
- работает при пониженных температурах;
- несколько запусков на одном заряде.
Из недостатков пользователи отмечают низкое качество сборки.
CARKU Pro-60
Пусковое устройство довольно легкое и компактное, но при этом имеет мощный встроенный аккумулятор с большой емкостью. Токи пуска 600 – 1 500 А. Встроенная батарея на 25 000 мА·ч позволяет запустить двигатель до 8 л (дизель – 5л) при любой погоде.
Аппарат имеет несколько видов портов для подключения портативных устройств, сюда входят USB таких типов: USB Type-C 60W, USB QuickCharge, USВ 5В/2,4А. Более высокие пусковые токи обеспечивает 4-х ячеечная батарея. Имеется защита от переполюсовки, коротких замыканий, перезарядки и переразрядки и многое другое.
Достоинства:
- индикация уровня заряда;
- очень высокая емкость;
- встроенный фонарь;
- сумка для хранения и транспортировки.
Из недостатков стоит отметить большой вес устройства и короткие провода.
CARKU Pro-30
Модель имеет небольшие габариты, очень легкая и получила интересный дизайн корпуса. Имеет световой индикатор, встроенный фонарик с несколькими режимами работы и дополнительные разъемы USB Type-C, USB Type-A, USB Type-A с поддержкой QC 3.0 для зарядки портативных устройств.
Благодаря большой мощности легко запускает любые бензиновые двигатели до 7 литров и дизельные – до 4 л. Пусковые токи от 500 до 1 200 А. В комплект входят все необходимые провода с «крокодилами», а также чехол для хранения и транспортировки. Емкость встроенной батареи – 17 000 мА·ч.
Достоинства:
- отлично работает при низких температурах;
- возможность зарядить мобильные устройства;
- наличие встроенного фонарика;
- легкость и компактность.
Из минусов отмечено только отсутствие порта для зарядки ноутбука.
Пусковое устройство Fubag Drive 400
Fubag Drive 400 – компактная автономная модель, позволяющая запускать бензиновые двигатели объемом до 3 литров, а также дизельные моторы объемом до 2 литров.
Преимущества Fubag Drive 400:
- позволяет запускать двигатели достаточно большого объема;
- прибор оборудован 2-мя USB-разъемами и может применяться для зарядки мобильных гаджетов (сотовых телефонов, планшетов);
- имеет встроенный фонарик;
- защита от перезарядки.
Недостатки Fubag Drive 400:
Отзывов о Fubag Drive 400 на момент написания статьи не слишком много. Значительных недостатков пользователи не выявили.
Технические характеристики:
- выдаваемое напряжение – 12 В;
- максимальный пусковой ток – 400 А;
- емкость встроенного аккумулятора – 10000 мАч;
- размеры: 125х25х85 мм;
- вес – 0,3 кг.
Цена Fubag Drive 400 – от 2700 рублей
ТОП лучших пусковых устройств среди недорогих
У бюджетных пусковых устройств чаще встречается невысокая емкость встроенного аккумулятора с небольшой мощностью. Они имеют незначительный набор дополнительных функций, однако вполне подходят для экстренного запуска двигателя.
Fubag Drive 450
Очень компактное пусковое устройство простое в использовании. Отлично проходит для запуска и подзарядки машин с небольшим объемом мотора – до 3.5 л. Используется как Power Bank и заряжает портативные устройства, такие как смартфон, планшет, ноутбук и т.д. В комплект пускового устройства входят все необходимые кабеля и провода, а также удобный чехол для хранения и сетевой адаптер для зарядки встроенной батареи.
Пусковое подходит для запуска автомобиля с полностью севшим АКБ при любой температуре. Пусковой ток составляет от 220 до 450 А. Емкость батареи 12 000 мА·ч. Полного заряда достаточно для 45 пусков автомобиля.
Достоинства:
- позволяет запускать машину с посаженным в ноль АКБ;
- стабильная работа даже при морозах;
- хорошая комплектация.
Недостаток – отсутствует провод для подзарядки от прикуривателя.
Fubag Drive 400
Небольшое и удобное портативное пусковое устройство, с дополнительной функцией зарядки портативных устройств и ноутбуков. Полного заряда встроенного аккумулятора достаточно для 30 пусков авто и нескольких зарядок гаджетов.
ПУ данной модели запускает моторы объемом до 3 л. Заряжает батареи с напряжением до 12 В. Отлично работает даже в очень сильные морозы до – 30 °С. В комплект входит удобный чехол для хранения, клеммы для пуска мотора, сетевой адаптер и USB-кабель. Токи пуска составляют 400 А. Встроенная батарея на 10 000 мА·ч. Имеет светодиодный фонарик.
Достоинства:
- стабильная работа даже при сильных морозах;
- запускает любые типы двигателей объемом до 3 литров;
- встроенный фонарик;
- зарядка портативных устройств.
Из минусов отмечается отсутствие возможности зарядки от прикуривателя автомобиля.
HUMMER H3
Компактное и довольно мощное пусковое выполнено в надежном корпусе. Имеет встроенный светодиодный фонарик. Пусковой ток – 300 Ампер прекрасно справляется с пуском бензинового двигателя до 2 л или дизельного до 1.5 л.
У данного пускового устройства есть возможность заряжать портативные устройства через разъем USB. Отличается высоким уровнем безопасности – на клеммах установлена защита от переполюсовки, перенапряжения, перегрева и короткого замыкания. Отлично работает даже при сильных морозах до -30 °С. В комплект устройства входит чехол и все необходимые для использования элементы. Емкость встроенной батареи 6 000 мА·ч.
Достоинства:
- компактность и легкость;
- встроенная защита;
- простота в использовании;
- стабильная работа при низких температурах;
- подходит для всех типов двигателей.
Из недостатков пользователи отмечают слишком быстрый разряд при зарядке мобильных устройств.
ELITECH УПБ 8000ПРОФ
Переносное пусковое устройство обеспечивает запуск любых типов двигателей с напряжением сети до 12 В. А также имеет функцию Power Bank для зарядки портативных устройств через USB 5В/2А. Есть встроенный фонарик работает в нескольких режимах.
На передней части панели расположены светодиодные индикаторы с кнопкой включения. Корпус с защитой стандарта IP65. Пусковое без проблем запустит мотор с полностью севшим АКБ даже при сильных морозах.
Встроенная литий-полимерная батарея устройства по заявлению изготовителя имеет рабочий ресурс более 1 тысячи циклов заряда/разряда. Пусковое устройство распространяется с сетевым адаптером, всеми кабелями и переходниками для использования и подзарядки, а также чехол для удобного хранения. Токи пуска зарядки – 500 А. Емкость аккумулятора 6 000 мА·ч.
Достоинства:
- встроенная защита от перезарядки и переразрядки;
- влагостойкий корпус;
- стабильная работы даже при -20 °С;
- интересный дизайн.
Из недостатков – маленькая емкость батареи.



























