Особенности прозвона униполярного устройства
Хоть такие приспособления реже встречаются, во избежание ошибок следует изучить инструкцию по их проверке.

В данном случае необходимо выполнить следующие действия:
- Для начала подключите щупы таким же образом, как и описанный выше для биполярного устройства. При этом режим мультиметра необходимо привести в положение прозвона, так как измерение показателя сопротивления здесь не будет работать. Это легко сделать, на каждом мультиметре есть специальный тумблер, который позволяет перевести прибор в другой режим.
- Щуп черного цвета соедините с выводом транзистора с обозначением С, а красный с ножкой И. Показания полученные в результате этой проверки необходимо записать. После этого следует соединить красный провод с выводом З. При условии работоспособности устройства вы должны получить показатель ниже, чем при предыдущей проверке.
- Последним этапом будет подключение черного провода с ножкой З, а красный с выводом И. При исправном состоянии показатели должны быть такими же, как при первоначальном прозвоне.

Проверка транзистора без выпаивания
Данный способ очень проблематичен, а показатели полученные при таком прозвоне довольно неточные. В случае одноканального транзистора эти показатели совсем не соответствуют действительности, поэтому здесь этот метод можно сразу же отбросить.


Прозвон мощного устройства
Как правило, очень мощные транзисторы имеют гибридный тип. Такими могут быть только биполярные приборы. Для их проверки действуют те же правила, что и при обычном приспособлении.

Однако при анализе показателей сопротивления, на мультиметре необходимо выставить максимальный порог, который указан в описании транзистора.

Проверка биполярного транзистора мультиметром в штатном режиме
Чтобы гнездо проверки биполярных транзисторов начало работать (вести измерения), переведем тестер в режим hFE. Откуда взялись буквы? h – касается категории параметров, описывающих четырехполюсник любого типа
Не важно знать, что подразумевает понятие – просто уясним: существует целая группа h-параметров, среди которых имеется один важный занимающимся электроникой. Называется коэффициентом усиления по току с общим эмиттером
Обозначается, h21 (либо строчной греческой буквой бета).
Цифровая мнемоника плохо воспринимается человеческим глазом, поэтому было решено (за рубежом, понятное дело), что F будет обозначать прямое усиление по току (forward current amplification), тогда как E говорит, что измерение велось в схеме с общим эмиттером (которая применяется учебниками физики для иллюстрации принципов работы транзисторов биполярного типа). Схем включения много, каждая обладает достоинствами, параметры можно охарактеризовать через h21 (некоторые другие, упомянутые справочниками). Считается, если коэффициент усиления в норме, радиоэлемент 100% работоспособен. Теперь читатели знают, как проверяется p-n-p транзистор или n-p-n транзистор.
Проверка приборов в схеме
Как мультиметром проверить транзистор, не выпаивая, как проверить полевой транзистор — эти вопросы возникают у радиолюбителей довольно часто. Извлечение полупроводникового прибора из схемы требует большой аккуратности и опыта работы. Необходимо иметь в своём арсенале низковольтный паяльник с тонким жалом, браслет, защищающий от статических разрядов. Проводники печатной платы в процессе работы можно перегреть, а то и случайно замкнуть между собой.

Хотя при наличии опыта в такой работе — задача вполне решаемая. Конечно, необходимо уметь читать электрические схемы и представлять работу каждого из её компонентов.
Сложнее проходит проверка непосредственно в схеме приборов большой мощности, применяемых в схемах выходных каскадов усилителей, импульсных блоках питания. В этих схемах присутствуют элементы, защищающие транзисторы от выхода последних на максимально допустимые режимы. При проверке состояний «p — n» переходов в этих случаях можно получить абсолютно не верные результаты. Как выход — выпаивание вывода базы.
Проверка полевых приборов может дать результат, далёкий от реального положения дел. Причина — наличие в схемах большого количества элементов коррекции работы транзисторов, включая катушки индуктивности низкого сопротивления.
Существует ещё большое количество различных типов транзисторов, для оценки состояния которых приходится применять различные специальные пробники. Но это тема для отдельного материала.
Инструкция проверки тестером

Тестеры различаются по видам моделей:
- Существуют приборы, в которых конструкцией предусмотрены устройства, позволяющие измерить коэффициент усиления микротранзисторов малой мощности.
- Обычные тестеры позволяют осуществить проверку в режиме омметра.
- Цифровой тестер измеряет транзистор в режиме проверки диодов.
В любом из случаев существует стандартная инструкция:
- Прежде, чем начать проверку, необходимо снять заряд с затвора. Это делается так – буквально на несколько секунд заряд необходимо замкнуть с истоком.
- В случае, когда проверяется маломощный полевой транзистор, то перед тем, как взять его в руки, обязательно нужно снять статический заряд со своих рук. Это можно сделать, взявшись рукой за что-нибудь металлическое, имеющее заземление.
- При проверке стандартным тестером, необходимо в первую очередь определить сопротивление между стоком и истоком. В обоих направлениях оно не должно иметь особого различия. Величина сопротивления при исправном транзисторе будет небольшой.
- Следующий шаг – измерение сопротивления перехода, сначала прямое, затем обратное. Для этого необходимо подключить щупы тестера к затвору и стоку, а затем к затвору и истоку. Если сопротивление в обоих направлениях имеет разную величину, триодное устройство исправно.
Проверка полевого
Оценить исправность полевого транзистора сложно и если с мощными это вполне безопасно, то с маломощными — труднее. Дело в том что эти элементы управляются по затвору напряжением и легко пробиваются статическим напряжением.

Работоспособность полевых транзисторов проверяется с осторожностью, желательно на антистатическом столе с антистатическим браслетом на руке (хотя по большей части это касается маломощных элементов). Сами по себе переходы покажут бесконечное сопротивление, но как видно из предложенных выше сильноточный полевой транзистор имеет диод, его можно проверить
Показатель того, что нет короткого замыкания, это уже хороший знак
Сами по себе переходы покажут бесконечное сопротивление, но как видно из предложенных выше сильноточный полевой транзистор имеет диод, его можно проверить. Показатель того, что нет короткого замыкания, это уже хороший знак.
Переводим прибор в режим «прозвонки» диодов и вводим полевой тр-тор в режим насыщения. Если он N-типа, то минусом касаемся стока, а плюсом — затвора. Исправный транзистор должен открыться. Далее плюсовой, не отрывая минусового, переводим на исток, мультиметр покажет какое-то сопротивление. Далее нужно запереть радиодеталь. Не отрывая «плюса» от истока, минусовым нужно коснуться затвора и возвратить на сток. Транзистор будет заперт.
Для элементов P- типа щупы меняем местами.
Краткий курс: как проверить полевой транзистор мультиметром на исправность
В технике и радиолюбительской практике часто применяются полевые транзисторы. Такие устройства отличаются от обычных, биполярных, транзисторов тем, что в них управление выходным сигналом осуществляется управляющим электрическим полем. Особенно часто используются полевые транзисторы с изолированным затвором.
Англоязычное обозначение таких транзисторов – MOSFET, что означает «управляемый полем металло-оксидный полупроводниковый транзистор». В отечественной литературе эти приборы часто называют МДП или МОП транзисторами. В зависимости от технологии изготовления такие транзисторы могут быть n- или p-канальными.
Особенности конструкции, хранения и монтажа
При работе с полевыми транзисторами необходимо учитывать их чувствительность к воздействию электрического поля. Поэтому хранить их надо с закороченными фольгой выводами, а перед пайкой необходимо закоротить выводы проволочкой. Паять полевые транзисторы надо с использованием паяльной станции, которая обеспечивает защиту от статического электричества.
Прежде, чем начать проверку исправности полевого транзистора, необходимо определить его цоколевку. Часто на импортном приборе наносятся метки, определяющие соответствующие выводы транзистора. Буквой G обозначается затвор прибора, буквой S – исток, а буквой D- сток. При отсутствии цоколевки на приборе необходимо посмотреть ее в документации на данный прибор.
Схема проверки полевого транзистора n-канального типа мультиметром
Перед тем, как проверить исправность полевого транзистора, необходимо учитывать, что в современных радиодеталях типа MOSFET между стоком и истоком есть дополнительный диод. Этот элемент обычно присутствует на схеме прибора. Его полярность зависит от типа транзистора.
Работоспособность катушки зажигания определяют проверкой сопротивлений на первичной и вторичной обмотках с помощью мультиметра.
- Снять статическое электричество с транзистора.
- Перевести мультиметр в режим проверки диодов.
- Подключить черный провод мультиметра к минусу измерительного прибора, а красный – к плюсу.
- Подключить красный провод к истоку, а черный – к стоку транзистора. Если транзистор исправен, то мультиметр покажет напряжение на переходе 0,5 — 0,7 В.
Подключить красный провод мультиметра к стоку, а черный – к истоку транзистора. При исправном приборе мультиметр покажет единицу, что означает бесконечность. Подключить черный провод к истоку, а красный – к затвору. Таким образом, осуществляется открытие транзистора. Черный провод оставляется на истоке, а красный подсоединяется к стоку. При исправном приборе мультиметр покажет напряжение от 0 до 800 мВ. При смене полярности щупов мультиметра величина показаний не должна измениться. Подключить красный провод к истоку, а черный – к затвору. Произойдет закрытие транзистора. При этом транзистор возвратиться в состояние, соответствующее п.п.4 и 5.
По проделанным измерениям можно сделать вывод, что если полевой транзистор открывается и закрывается с помощью постоянного напряжения с мультиметра, то он исправен.
Проверка исправности р-канального полевого транзистора производится таким же образом, что и n-канального. Отличие состоит в том, что в п. 3 к минусу мультиметра надо подключить красный провод, а к плюсу мультиметра – черный провод.
Проверка биполярного транзистора мультиметром
Проверку работоспособности биполярного транзистора можно выполнить с помощью цифрового мультиметра. Этим прибором проводятся измерения постоянных и переменных токов, а также напряжение и сопротивление. Перед началом измерений прибор нужно правильно настроить. Это позволит более эффективно решить проблему, как проверить биполярный транзистор мультиметром не выпаивая.
Современные мультиметры могут работать в специальном режиме измерения, поэтому на корпусе изображается значок диода. Когда решается вопрос, как проверить биполярный транзистор тестером, устройство переключается в режим проверки полупроводников, а на дисплее должна отображаться единица. Выводы устройства подключаются так же, как и в режиме измерения сопротивления. Провод черного цвета соединяется с портом СОМ, а провод красного цвета – с выходом, измеряющим сопротивление, напряжение и частоту.
В мультиметрах старой конструкции функция проверки диодов и транзисторов может отсутствовать. В таких случаях все действия проводятся в режиме измерения сопротивления, установленном на максимум. До начала работы батарея мультиметра должна быть заряжена. Кроме того, нужно проверить исправность щупов. Для этого их кончики соединяются между собой. Писк устройства и нули, отображенные на дисплее, свидетельствуют об исправности щупов.
Проверка биполярного транзистора мультиметром выполняется в следующем порядке:
- Прежде всего, нужно правильно соединить выводы мультиметра и транзистора. Для этого необходимо точно определить, где находятся база, коллектор и эмиттер. Чтобы определить базу, щуп черного цвета подключается к первому электроду, который предположительно считается базовым. Другой щуп красного цвета поочередно подключается вначале ко второму, а затем к третьему электроду. Щупы меняются местами до тех пор, пока прибор не определит падение напряжения. После этого окончательно проводится проверка биполярного транзистора мультиметром и определяются пары: «база-эмиттер» или «база-коллектор». Электроды эмиттера и коллектора определяются с помощью цифрового мультиметра. В большинстве случаев падение напряжения и сопротивление у эмиттерного перехода выше, чем у коллектора.
- Определение р-п-перехода «база-коллектор»: щуп красного цвета подключен к базе, а черный – к коллектору. Такое соединение работает в режиме диода и пропускает ток лишь в одном направлении.
- Определение р-п-перехода «база-эмиттер»: красный щуп остается подключенным к базе, а щуп черного цвета нужно подключить к эмиттеру. Так же, как и в предыдущем случае, при таком соединении ток проходит только при прямом включении. Это подтверждает проверка npn транзистора мультиметром
- Определение р-п-перехода «эмиттер-коллектор»: в случае исправности данного перехода сопротивление на этом участке будет стремиться к бесконечности. На это указывает единица, отображенная на дисплее.
- Подключение мультиметра осуществляется к каждой паре контактов в двух направлениях. То есть транзисторы р-п-р типа проверяются путем обратного подключения к щупам. В этом случае к базе подключается черный щуп. После измерений полученные результаты сравниваются между собой.
- После того как проведена проверка pnp транзистора мультиметром, работоспособность биполярного транзистора подтверждается, когда при измерении одной полярности мультиметр показывает конечное сопротивление, а при замерах обратной полярности получается единица. Данная проверка не требует выпаивания детали из общей платы.
Читать также: Как сделать диодный мост на 220 вольт
Очень многие пытаются решить вопрос, как проверить транзистор без мультиметра с помощью лампочек и других устройств. Этого делать не рекомендуется, поскольку элемент с высокой вероятностью может выйти из строя.
https://youtube.com/watch?v=CTrMveIYnvY
Настройка мультиметра
Для простой проверки транзисторов подойдет любой мультиметр с функцией диодной позвонки. В этой статье мультиметр DT830B. Подключаем черный щуп в «COM», а красный щуп в «VΩmA». Подключать щупы нужно согласно цветам, иначе будет путаница при измерениях.
Устанавливаем переключатель мультиметра на режим диодной прозвонки.
Что такое диодная прозвонка? Это режим мультиметра при котором на щупы от батареи подается напряжение. Результат падения напряжения на измеряемом объекте будет показан на экране прибора. Т.е. это режим, который измеряет падение напряжения.
Этим режимом диодной позвонки будем открывать p-n переходы транзисторов.
В зависимости от мультиметра режим диодной прозвонки может быть со звуковым оповещением или без него.
Если будет падения напряжения около нуля и у прибора есть звуковое оповещение, то он будет пищать.
Чтобы убедиться в правильности установки щупов и режима работы мультиметра соединяем вместе щупы. Экран покажет значения около 0. Это нормально, поскольку модель не учитывает падения напряжения на щупах.
Пошаговая проверка транзисторов мультиметром
В качестве примера рассмотрим проверку популярного биполярного транзистора КТ315.
Это n-p-n транзистор, т.е. транзистор обратной проводимости.
База у КТ315 находится справа, эмиттер слева, а коллектор по центу.
Чтобы проверить один p-n переход транзистора, нужно поставить красный щуп на p контакт, а черный щуп на n контакт. Это называется прямое включение p-n перехода.
КТ315 n-p-n транзистор, собственно на базу ставится плюс (красный щуп), а на коллектор и эмиттер в порядке проверки переходов минус (черный щуп), но у них будут отличия в показания измерения падения напряжения на их переходах.
Согласно цокол1вке КТ315 ставим красный щуп на базу, а черный щуп на коллектор. Прибор покажет падение напряжения.
Если поставить щупы наоборот, черный на базу, а красный на коллектор, то мультиметр покажет зашкаливающее значение (1).
Это нормально, поскольку p-n переход будет подключен в обратную сторону, и его сопротивление будет настолько велико, что на нем будет огромное падение напряжения, и мультиметр не может измерить его.
Проверка p-n перехода база-коллектор показала, что он исправен.
Теперь ставим черный щуп на эмиттер, и проверяем p-n переход база-эмиттер.
Измерения оказываются больше, чем у перехода базы-коллектор. Это нормальное значение, на эмиттере всегда будет большее падение напряжение, чем на коллекторе.
Проверка комплементарной пары
Проверим биполярный транзистор прямой проводимости, КТ361.
Это практический такой же транзистор, как и КТ315, но противоположной проводимости (p-n-p).
У них одинаковый корпус, характеристики и цоколёвка (расположение выводов). Такие транзисторы, как КТ361 и КТ315 называют комплементарными. Они могут работать в одной схеме усиливая сигналы разной полярности поочередно.
Внешне отличаются маркировкой. У КТ361Г буква по центру, у КТ315Б находится слева.
Значит проверка мультиметром аналогичная как КТ315, только щупы наоборот. Ставим черный щуп на базу, красный на коллектор. Переход исправен.
Черный щуп на базу, красный на эмиттер. Переход база эмиттер тоже исправен.
Пример неисправного биполярного транзистора
Теперь попробуем проверить транзистор, который вышел из строя в схеме.
Это такой же КТ315 как был выше в статье.
Проверяем переход база коллектор.
Мультиметр показывает практические нулевое падение напряжения. Переход полностью разрушен тепловым пробоем.
Теперь проверяем переход база эмиттер.
Мультиметр показывает 1. Такой показатель означает, что-либо это предел измерения, либо обрыв. Переход база коллектор уже поврежден, и по исправному КТ315 знаем, что он не может показывать такие значения. Этот транзистор полностью неисправен
Причем неважно уже каким образом подключать щупы к контактам, p-n переходы транзистора разрушены
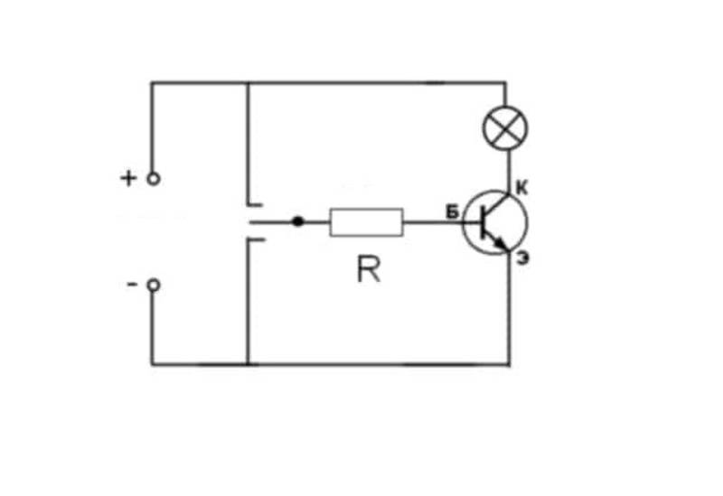
Тестирование составного полупроводника
Такой элемент по своей конструкции напоминает микросхему. Так как проверить микросхему на работоспособность мультиметром практически невозможно, так нельзя и проверить составной прибор, используя только тестер. Для тестирования понадобится собрать несложную схему.

В ней применяется источник постоянного напряжения 10−14 вольт. Нагрузкой цепи служит лампочка. В качестве резистора используется элемент мощностью 0,25 Вт. Его сопротивление рассчитывается по формуле h21*U/I, где:
- h21— коэффициент усиления;
- U — напряжение источника питания;
- I — ток нагрузки.
Для проверки на базу подаётся положительный сигнал от источника питания. Лампочка светится. При смене полярности лампочка гаснет. Такое поведение говорит о работоспособности прибора.
Таким образом, узнав, как прозвонить транзистор мультиметром, можно легко вычислить неисправный элемент в схеме, даже его не выпаивая.
Транзистор КТ209 – усилительный, эпитаксиально-планарный, кремниевый, структуры p-n-p. Нормируется по коэффициенту шума на частоте 1 кГц. Применяется в импульсных и усилительных модулях, а также в различных блоках герметизированной аппаратуры. Два номинала транзистора КТ209 выпускаются специально для применения в телевизионных приёмниках, это КТ209Б1 и КТ209В1.
Транзистор КТ203 – усилительный, эпитаксиально-планарный, кремниевый, структуры p-n-p. Применяется в импульсных и усилительных устройствах. КТ203А, КТ203Б, КТ203В, 2Т203А, 2Т203Б, 2Т203В, 2Т203Г, 2Т203Д выпускаются в металлостеклянном, а КТ203АМ, КТ203БМ, КТ203ВМ в пластмассовом корпусе с гибкими выводами. В металлостеклянном варианте тип транзистора указывается на корпусе. Пластмассовый вариант маркируется цветным кодом на торце:
| КТ203АМ | тёмно-красный |
| КТ209БМ | жёлтый |
| КТ209ВМ | тёмно-зелёный |
Транзистор КТ117 – эпитаксиально-планарный, однопереходный, кремниевый, с базой n-типа. Применяется в маломощных генераторах. Имеет металлический корпус. Выводы – гибкие. Надпись о типе элемента нанесена на корпусе. Весит не более 0.45 г.
КТ117 цоколевка Цоколевка КТ117 показана на рисунке.

| Обозначение на корпусе | Тип транзистора | Аналог |
|---|---|---|
| 15 | MMBT3960 | 2N3960 |
| 1A | BC846A | BC546A |
| 1B | BC846B | BC546B |
| 1C | MMBTA20 | MPSA20 |
| 1D | BC846 | – |
| 1E | BC847A | BC547A |
| 1F | BC847B | BC547B |
| 1G | BC847C | BC547C |
| 1H | BC847 | – |
| 1J | BC848A | BC548A |
| 1K | BC848B | BC548B |
| 1L | BC848C | BC548C |
| 1M | BC848 | – |
| 1P | FMMT2222A | 2N2222A |
| 1T | MMBT3960A | 2N3960A |
| 1X | MMBT930 | – |
| 1Y | MMBT3903 | 2N3903 |
| 2A | FMMT3906 | 2N3906 |
| 2B | BC849B | BC549B |
Как проверить транзистор? (Или как прозвонить транзистор) Такой вопрос, к сожалению, рано или поздно возникает у всех. Транзистор может быть повреждён перегревом при пайке либо неправильной эксплуатацией. Если есть подозрение на неисправность, есть два лёгких способа проверить транзистор.
Проверка транзистора мультиметром Как проверить транзистор мультиметром (тестером) Проверка транзистора мультиметром (тестером) (прозвонка транзистора) производится следующим образом.
Составной транзистор , или как его ещё называют – транзистор Дарлингтона, – это два транзистора, соединённые таким образом, чтобы ток, усиленный первым транзистором, поступал на базу второго и усиливался им. Это, по сути, последовательное соединение транзисторов, при котором их коэффициенты усиления перемножаются. Таким образом, у составного транзистора получается очень высокий коэффициент усиления, например 10000.
Выводы транзистора должны быть подключены правильно. Будьте внимательны, при неправильном подключении выводов транзистора он может сгореть почти мгновенно при включении.
Бывает так, что ориентация корпуса и выводов транзистора понятна по рисунку на печатной плате. Если этого нет, то необходимо обращаться к справочникам, чтобы определить цоколёвку транзистора (расположение выводов транзистора, распиновку транзистора).

Описание транзисторов Описание транзисторов удобно начать с описания функции, которую они выполняют. Основная функция биполярного транзистора – усиливать ток и напряжение. Например, они могут усиливать слаботочные выходные сигналы интегральных микросхем таким образом, чтобы ими можно было управлять лампой, реле и т.д. Во многих схемах транзистор служит для преобразования изменяющегося тока в изменяющееся напряжение. Т.е. транзистор работает как усилитель напряжения.
Разновидности
В современной электронике используется 2 основных типа усилителей сигнала: полевые и биполярные. Каждый тип наделен способностью к электрической проводимости и усилению.
Полевой транзистор
Полевые транзисторы предназначаются для управления сигналом используя для этого электромагнитное поле. Такой элемент состоит из:
- Затвора, который служит регулятором поступающего напряжения.
- Стока, из канала которого выходят заряды.
- Истока, через который заходят электрические заряды.
В подобных элементах заключен полупроводниковый материал, вокруг которого расположены области с противоположной проводимостью. При подаче напряжения на затвор элемента, области расширяются, что способствует прохождению электрического тока. За счет входящего напряжения на затвор, можно регулировать проводимость элемента. Создаваемое пространство между областями является каналом транзистора. Существует 2 типа каналов:
- Встроенный открывает путь токам с определенными амплитудами. При соответствующей полярности и амплитуде, появляется возможность регулировать ширину канала, а значит влиять на общую проводимость.
- Индуцированный является закрытым каналом. Он открывается, только если на затвор подается определенное напряжение.
Таким образом полевые элементы делятся на постоянно открытые и закрытые. Их отличают следующие параметры:
- Сопротивление на входе.
- Характеристика амплитуды.
- Подаваемая на полупроводник полярность.
Оба вида транзисторов могут использоваться на одной плате, для создания сигналов необходимой величины.
Биполярные
Биполярный транзистор работает по принципу одновременного прохождения электронов с разной полярностью. Для этого в их конструкции используется 3 области полупроводников. Биполярные транзисторы бывают 2 типов: PNP и NPN. Элементы типа N имеют отрицательный заряд на входе, тип P положительный. Биполярные радио детали состоят из:
- Коллектора для самого большого амплитудного тока.
- Базы для управления амплитудным током.
- Эмиттера для выхода тока с коллектора.
Для транзисторов типа N, ток протекает с эмиттера на коллектор. Для типов P, ток протекает с коллектора через базу на эмиттер. Узнать, какой транзистор находится в схеме, можно по стрелке в обозначении. Также к биполярным относятся строчные элементы. У них больший порог прохождения электрического напряжения, так как они находятся под сильной нагрузкой.
Далее будут даны пошаговые инструкции как проверить транзистор мультиметром.
Проверка транзистора омметром
Поскольку в составе транзистора имеется два p-n-перехода, то их исправность можно проверить по методике, используемой для тестирования полупроводниковых диодов. Для этого его можно представить эквивалентом встречного соединения двух полупроводниковых диодов.
Критериями исправности для них является:
- Низкое (сотни Ом) сопротивление при подключении источника постоянного тока в прямом направлении;
- Бесконечно большое сопротивление при подключении источника постоянного тока в обратном направлении.
Мультиметр или тестер измеряют сопротивление, используя собственный вспомогательный источник питания – батарейку. Напряжение ее невелико, но его достаточно, чтобы открыть p-n-переход. Меняя полярность подключения щупов от мультиметра к исправному полупроводниковому диоду, в одном положении мы получаем сопротивление в сотню Ом, а в другом – бесконечно большое.
Полупроводниковый диод бракуется, если
- в обоих направлениях прибор покажет обрыв или ноль;
- в обратном направлении прибор покажет любую значащую величину сопротивления, но не бесконечность;
- показания прибора будут нестабильными.
При проверке транзистора потребуется шесть измерений сопротивлений мультиметром:
- база-эмиттер прямое;
- база-коллектор прямое;
- база-эмиттер обратное;
- база-коллектор обратное;
- эмиттер-коллектор прямое;
- эмиттер-коллектор обратное.
Критерием исправности при измерении сопротивления участка коллектор-эмиттер является обрыв (бесконечность) в обоих направлениях.
Причины неисправности
Транзисторы обоих описанных типов теряют работоспособность очень часто. Есть 3 основные причины неисправности этих радиодеталей:
- Перегрев. Многие элементы уже имеют радиаторы, к которым они прикручены. Плохой контакт с радиатором или перегрев от рядом стоящего неисправного трансформатора становится причиной выхода из строя.
- Сквозные токи. Частое явление при неисправности диодного моста блока питания. Переходы транзисторов выгорают от перепада напряжения.

Для контроля состояния транзисторов необходимо прислушиваться к аппаратуре.

Часто перед выходом из строя, неисправный транзистор выдает посторонние шумы, на изображении появляется мелкая рябь. Простой контроль поможет выявить неисправность до полного выгорания элемента.




















